EasyManua.ls Logo

Trane RTHB - Page 23

Trane RTHB
48 pages
Print Icon
To Next Page IconTo Next Page
To Next Page IconTo Next Page
To Previous Page IconTo Previous Page
To Previous Page IconTo Previous Page
Loading...
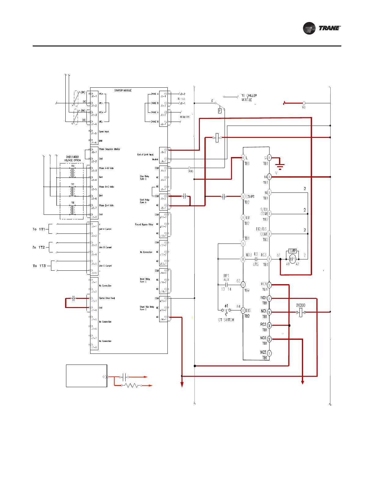
Figure 21. Control power wiring (new wiring bold/highlighted in red) — RTHC (MX Starter)
To Shunt Trip
to shunt
trip coil
1K400
1K400
1K400
8&3
(N)
(H)
2K300
TB1
L
DK2
To 1T1
To 1T2
To 1T3
HPC
Benshaw
SSS
1K300
120/240 VAC (input)
TB
TB
1K11/
1K400
Chiller
Module
J22-1
Master Oil
Valve (4L3)
(H)
(N)
To J22-1
wire 75A, B
RTHC Units with EasySTART (or Wye-Delta) Starter
RLC-SVN005B-EN 23

Related product manuals