EasyManua.ls Logo

Trane RTHD - Page 13

Trane RTHD
48 pages
Print Icon
To Next Page IconTo Next Page
To Next Page IconTo Next Page
To Previous Page IconTo Previous Page
To Previous Page IconTo Previous Page
Loading...
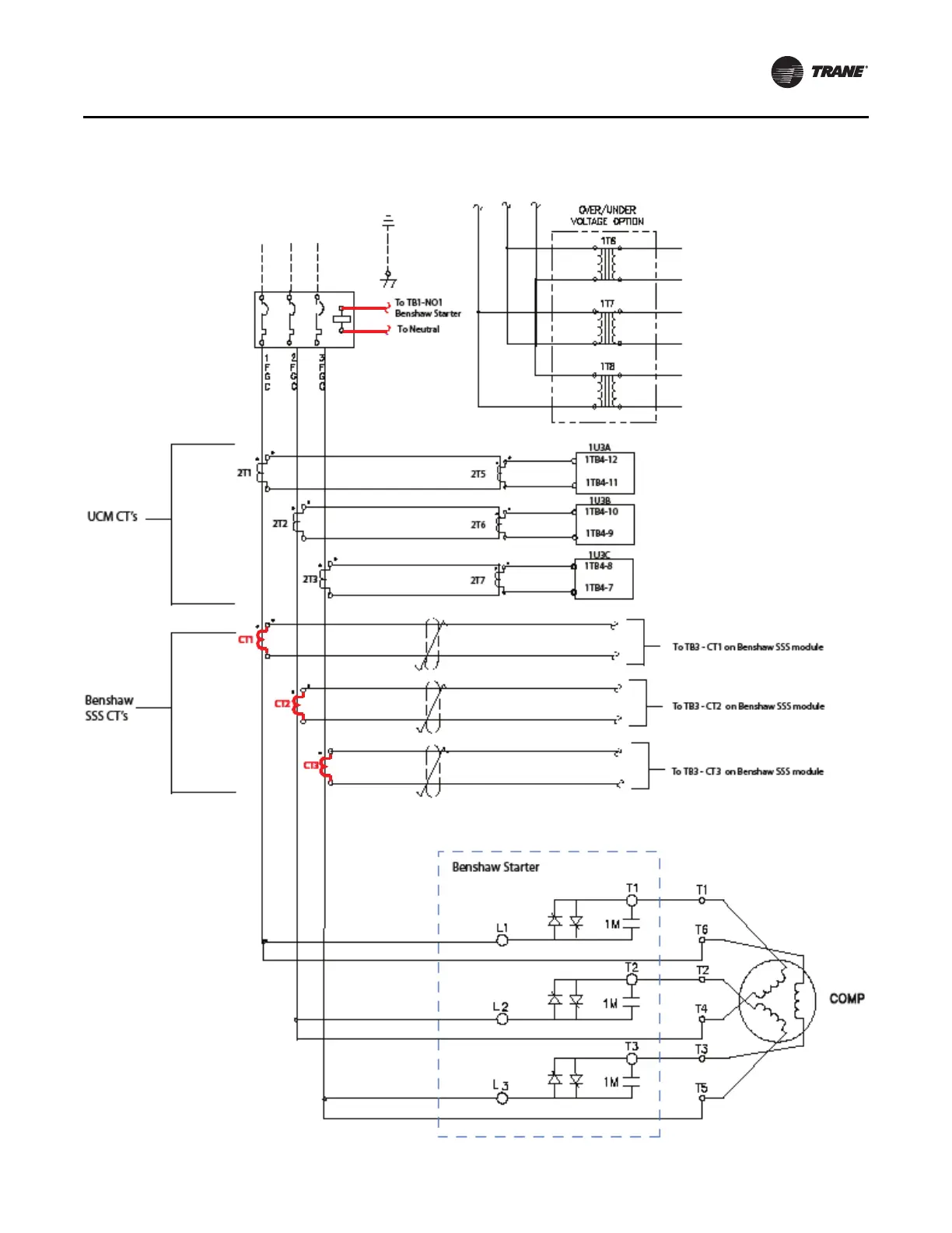
Figure 10. Power wire (new wiring bold/highlighted in red) — RTHA
RTHA Units with Wye-Delta Starters
RLC-SVN005B-EN 13

Other manuals for Trane RTHD

Related product manuals