EasyManua.ls Logo

Trane RTHD - Pressure Transducers; Pressure Transducer Checkout and Accuracy Testing

Trane RTHD
48 pages
Print Icon
To Next Page IconTo Next Page
To Next Page IconTo Next Page
To Previous Page IconTo Previous Page
To Previous Page IconTo Previous Page
Loading...
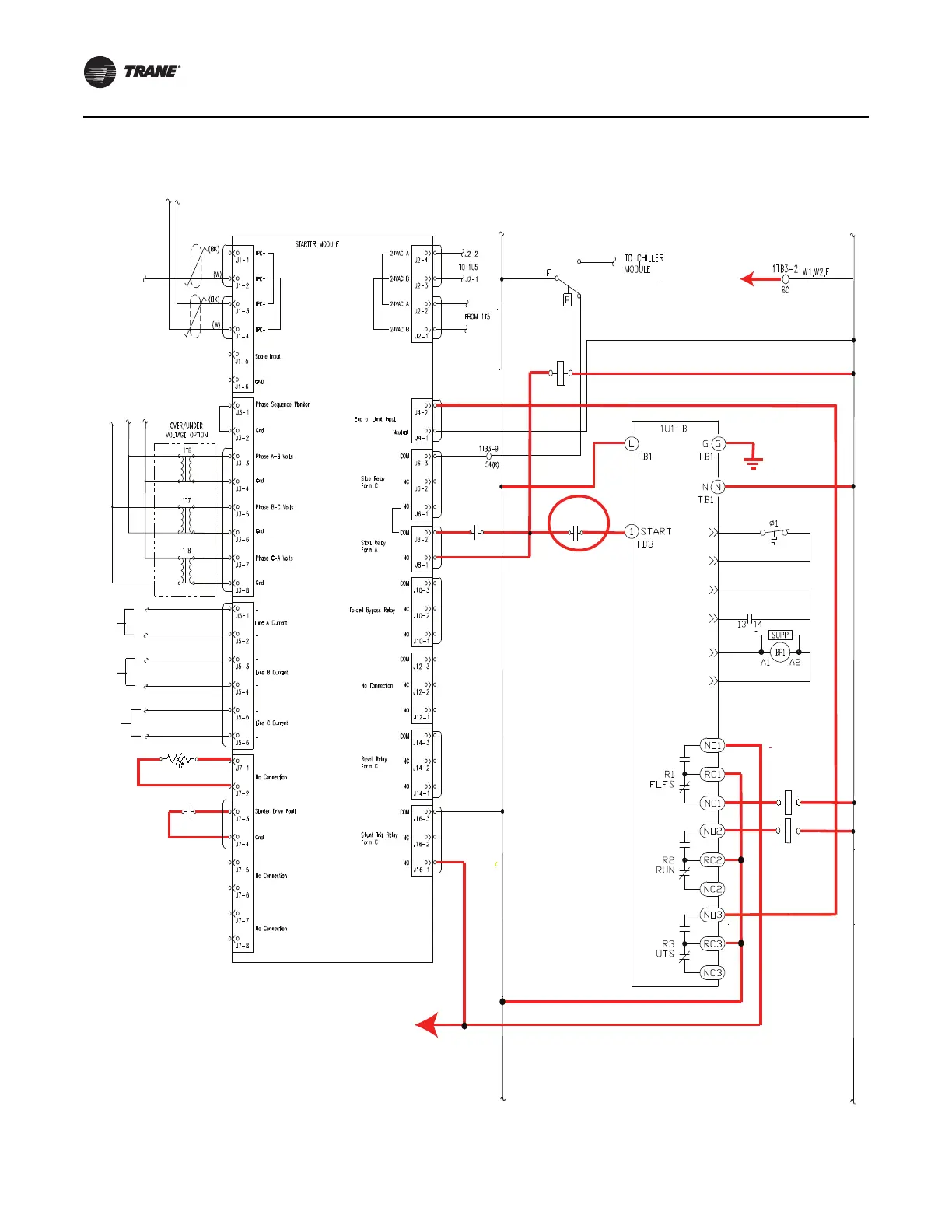
Figure 16. Control power wiring (new wiring bold/highlighted in red) — RTHB (MX2 Starter)
OT SWITCH
BP1
AUX
201
202
206
203
205
204
FAN (optional)
2K11/
2K400

(N)
(H)
2K3002K300
To T1 To T1
To T2 To T2
To T3 To T3
HPC
2K300
120/240 VAC (input)
2K11/
2K400
2K11/
2K400
TO SHUNT
TRIP COIL
(Breaker)
TO SHUNT
TRIP
(Breaker)
2TR1
Optional contact.
See note 1.
NOTE:
1. Connection to start signal is required. If you don’t use this contact, you need to place a wire to the start signal.
RTHB Units with A515 (or Wye-Delta) Starters
18 RLC-SVN005B-EN

Other manuals for Trane RTHD

Related product manuals