EasyManua.ls Logo

Trane S8X2B080M4PSBA - Page 25

Trane S8X2B080M4PSBA
44 pages
Print Icon
To Next Page IconTo Next Page
To Next Page IconTo Next Page
To Previous Page IconTo Previous Page
To Previous Page IconTo Previous Page
Loading...
S8XB-SF-2B-EN
25
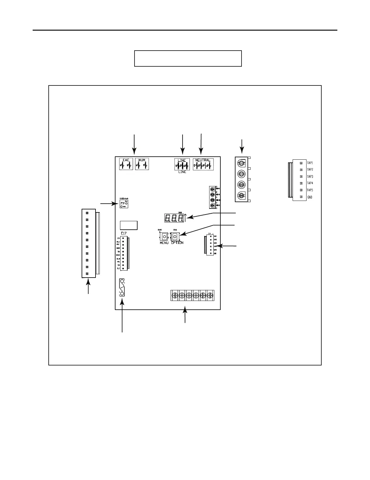
Low Voltage Terminal Strip
10 Pin
Connector
(ILI not used)
LINE
Connections
EAC, HUM
Dry Contacts
Neutral
Connections
7 Segment LED
MENU and OPTION
Select Buttons
5 Amp Fuse
Flame Current
FP
HLI
W R G B/C Y2Y/Y1
Inducer/Igniter
Connector
IGN-N
IND-N
IND-H
IGN-H
MV
GND
TH
MVC
HLO
PS1
TR
ILI
24/120 VAC
MAY BE USED
IFC
6 Pin CTM Motor
Connector
Tap 1 - Low Speed
Tap 2
Tap 3
Tap 4
Tap 5 - High Speed
Common
6 Pin CTM
Connector
S8X1 IFC Component Layout
TTrroouubblleesshhoooottiinngg

Other manuals for Trane S8X2B080M4PSBA

Related product manuals