EasyManua.ls Logo

Trane TCONT724AS42DAA - Page 25

Trane TCONT724AS42DAA
40 pages
Print Icon
To Next Page IconTo Next Page
To Next Page IconTo Next Page
To Previous Page IconTo Previous Page
To Previous Page IconTo Previous Page
Loading...
25
18-HD82D1-1B-EN
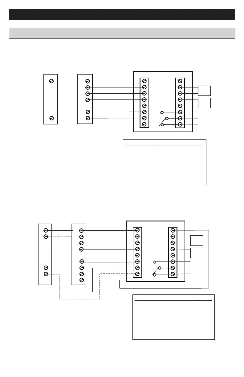
XR724 INSTALLER’S GUIDE
One or Two Stage
Gas Furnace
Heat/Cool Diagram 11: 1 Stage Cooling w/non-Variable Speed Gas Furnace
G
W1
Y
R
B/C
W2
One Stage
Cooling Only
Y
B
Sensor Options in the Installer Settings/Sensor Settings menu
Remote Sensor (connect to the RS terminals)
- None
- Replaces internal sensor
- Average with internal sensor
Outdoor Temp Sensor (connect to the ODT terminals)
- None
- Outdoor
Caution: Do not run sensor wires in the same bundle with HVAC
wires. Keep away from high voltage wiring to avoid interference.
Remote Temperature Sensor Connections and Operation:
Aux relay
outputs
RS
C
RS
R
ODT
W1
W2
BK
ODT
NO
C
Y1
NC
Y2
O/B
G
Thermostat Connection
Outdoor
Sensor
Remote
Sensor
Two Stage VS
Gas Furnace
Heat/Cool Diagram 12: 1 or 2 Stage Cooling w/Variable Speed Gas Furnace
G
W1
Y1
R
B/C
Y2
BK
W2
One or Two stage
Cooling Only
Y 1
R
B
Y2
Notes:
1. Cut/remove the factory installed “BK” jumper at the indoor unit
2. “Y2” & “R” connections at outdoor are only required for two
stage units
3. For non-Trane/American Standard Indoor units “BK” is not
connected and “Y1”/”Y2” must be connected at indoor unit.
Sensor Options in the Installer Settings/Sensor Settings menu
Remote Sensor (connect to the RS terminals)
- None
- Replaces internal sensor
- Average with internal sensor
Outdoor Temp Sensor (connect to the ODT terminals)
- None
- Outdoor
Caution: Do not run sensor wires in the same bundle with HVAC
wires. Keep away from high voltage wiring to avoid interference.
Remote Temperature Sensor Connections and Operation:
Aux relay
outputs
RS
C
RS
R
ODT
W1
W2
BK
ODT
NO
C
Y1
NC
Y2
O/B
G
Thermostat Connection
Outdoor
Sensor
Remote
Sensor
(Note 2)
(Note 2)
(Note 3)
(Note 1)
Heat/Cool Wiring Diagrams

Related product manuals