EasyManua.ls Logo

Trane TR150 - Frequency Converter Dimensions; Electrical Installation Procedures

Trane TR150
121 pages
To Next Page IconTo Next Page
To Next Page IconTo Next Page
To Previous Page IconTo Previous Page
To Previous Page IconTo Previous Page
Loading...
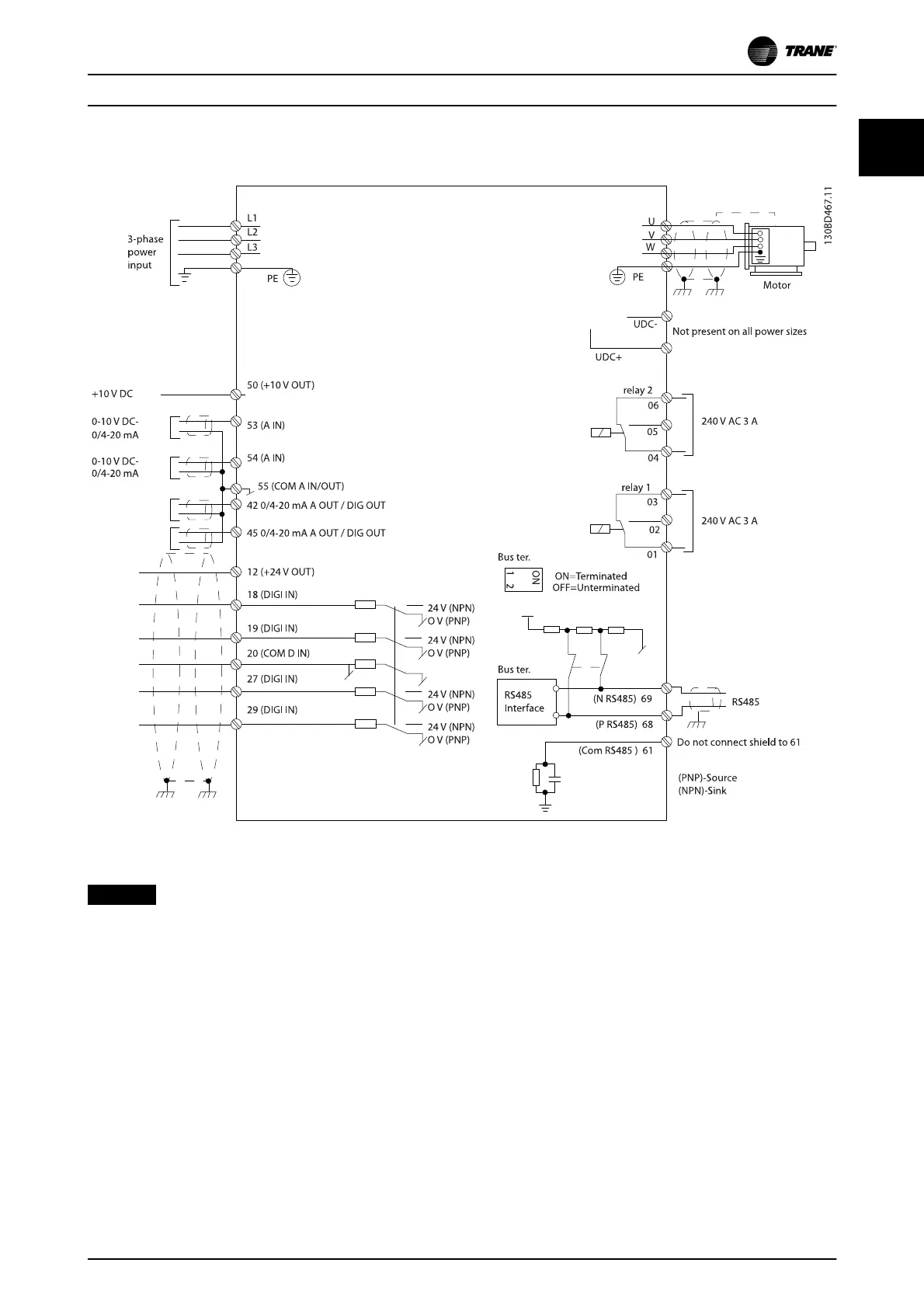
1.7 Electrical Overview
Illustration 1.2 Basic Wiring Schematic Drawing
NOTICE
There is no access to UDC- and UDC+ on the following units:
IP20, 380–480 V, 30–90 kW (40–125 hp)
IP20, 200–240 V, 15–45 kW (20–60 hp)
IP20, 525–600 V, 2.2–90 kW (3–125 hp)
IP54, 380–480 V, 22–90 kW (30–125 hp)
Introduction Programming Guide
BAS-SVP16B-EN 02/2017 All rights reserved. 7
1 1

Table of Contents

Other manuals for Trane TR150

Related product manuals