EasyManua.ls Logo

Trane TWA240E - Refrigerant Piping Examples

Trane TWA240E
28 pages
Print Icon
To Next Page IconTo Next Page
To Next Page IconTo Next Page
To Previous Page IconTo Previous Page
To Previous Page IconTo Previous Page
Loading...
SS-APG008-EN 13
Refrigerant Piping Examples
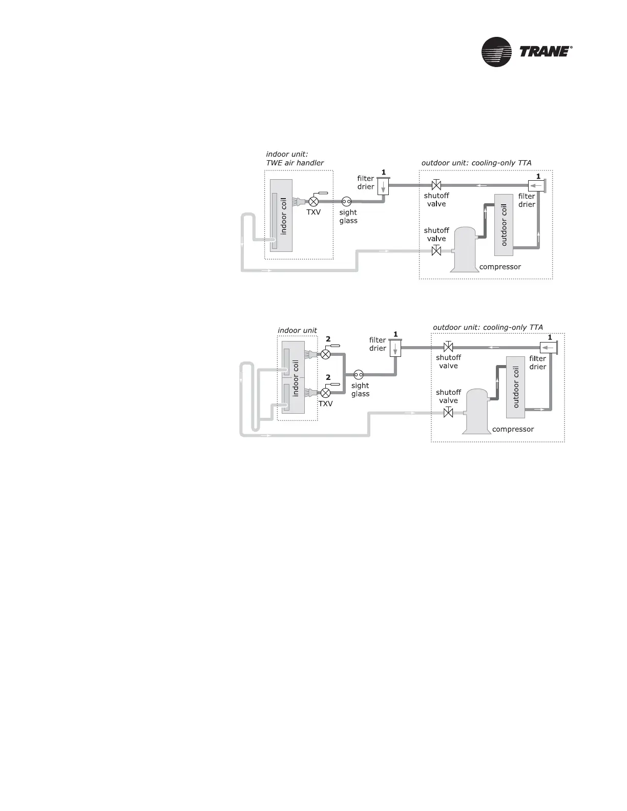
Figure 6. TTA cooling-only unit and TWE air handler
Figure 7. TTA cooling-only unit and matched indoor coil (typical arrangement)
Installation notes:
1 If the total length of the liquid line exceeds 80 ft
(24 m), remove the liquid-line filter drier from
the TTA and install a new one (Table 2, p. 20) at
the TWE air handler.
1 If the total length of the liquid line exceeds 80 ft
(24 m), remove the liquid-line filter drier from
the TTA and install a new one (Table 2, p. 20)
near the indoor coil.
2 Provide one expansion valve (TXV) per
distributor; see Table 4, p. 21, for
recommendations.

Related product manuals