EasyManua.ls Logo

Transpak TP-6000-3 - Arch Unit Installation; Installation Steps and Notes

Transpak TP-6000-3
121 pages
Print Icon
To Next Page IconTo Next Page
To Next Page IconTo Next Page
To Previous Page IconTo Previous Page
To Previous Page IconTo Previous Page
Loading...
-17-
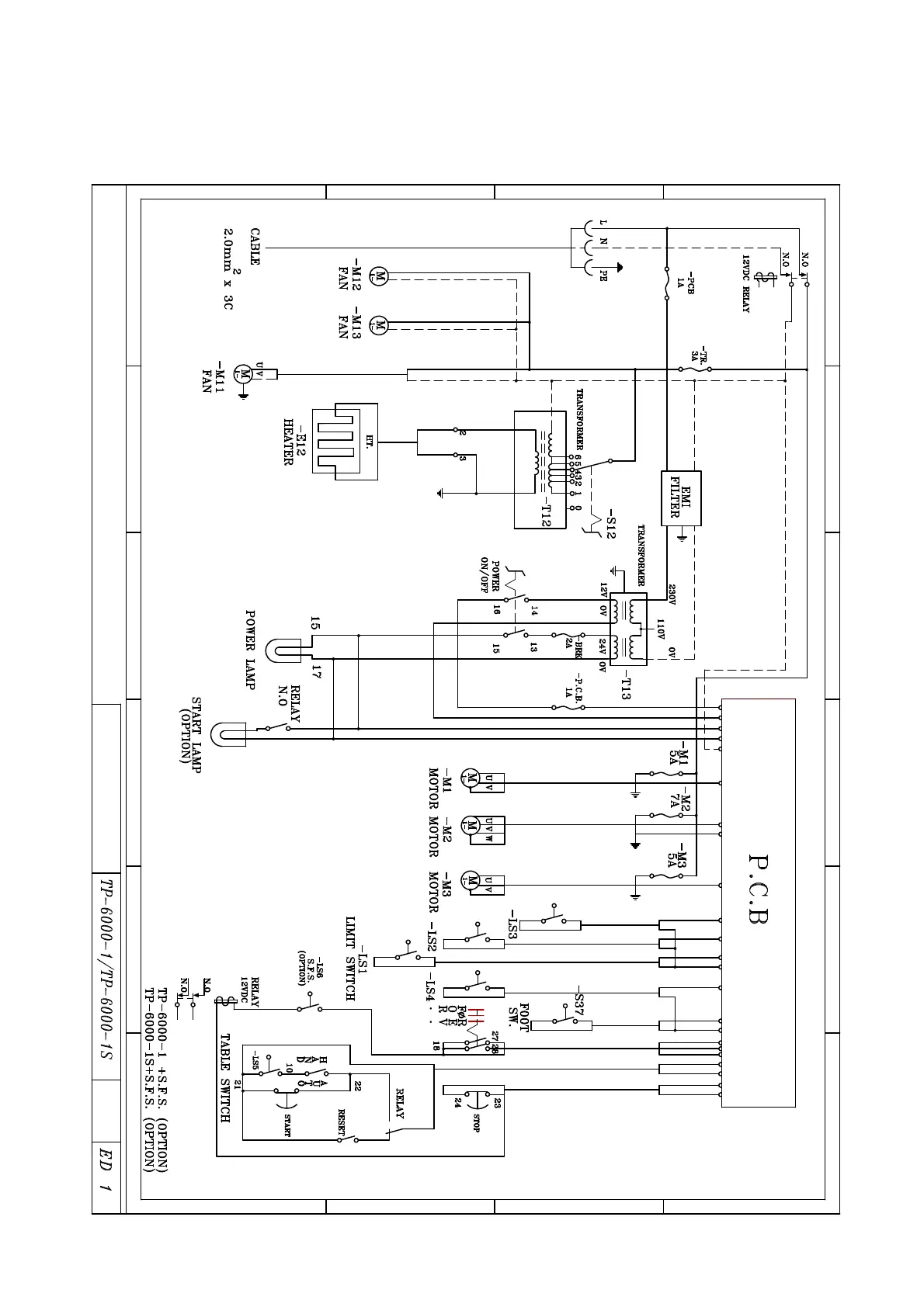
11. Wiring Diagram
a. TP-6000-1/TP-6000-1S
PAGE
1
A
B
2
3
MACHINE
MODEL
C
D E
4
A
B
C
D E
F
1
2
3
4
F
01/18/08

Related product manuals