EasyManua.ls Logo

Transpak TP-6000-3 - Wiring Diagrams; Schematics for All Models

Transpak TP-6000-3
121 pages
Print Icon
To Next Page IconTo Next Page
To Next Page IconTo Next Page
To Previous Page IconTo Previous Page
To Previous Page IconTo Previous Page
Loading...
PAGE
1
A
B
2
3
MACHINE
MODEL
C
D E
4
A
B C D E
F
1
2
3
4
F
-19-
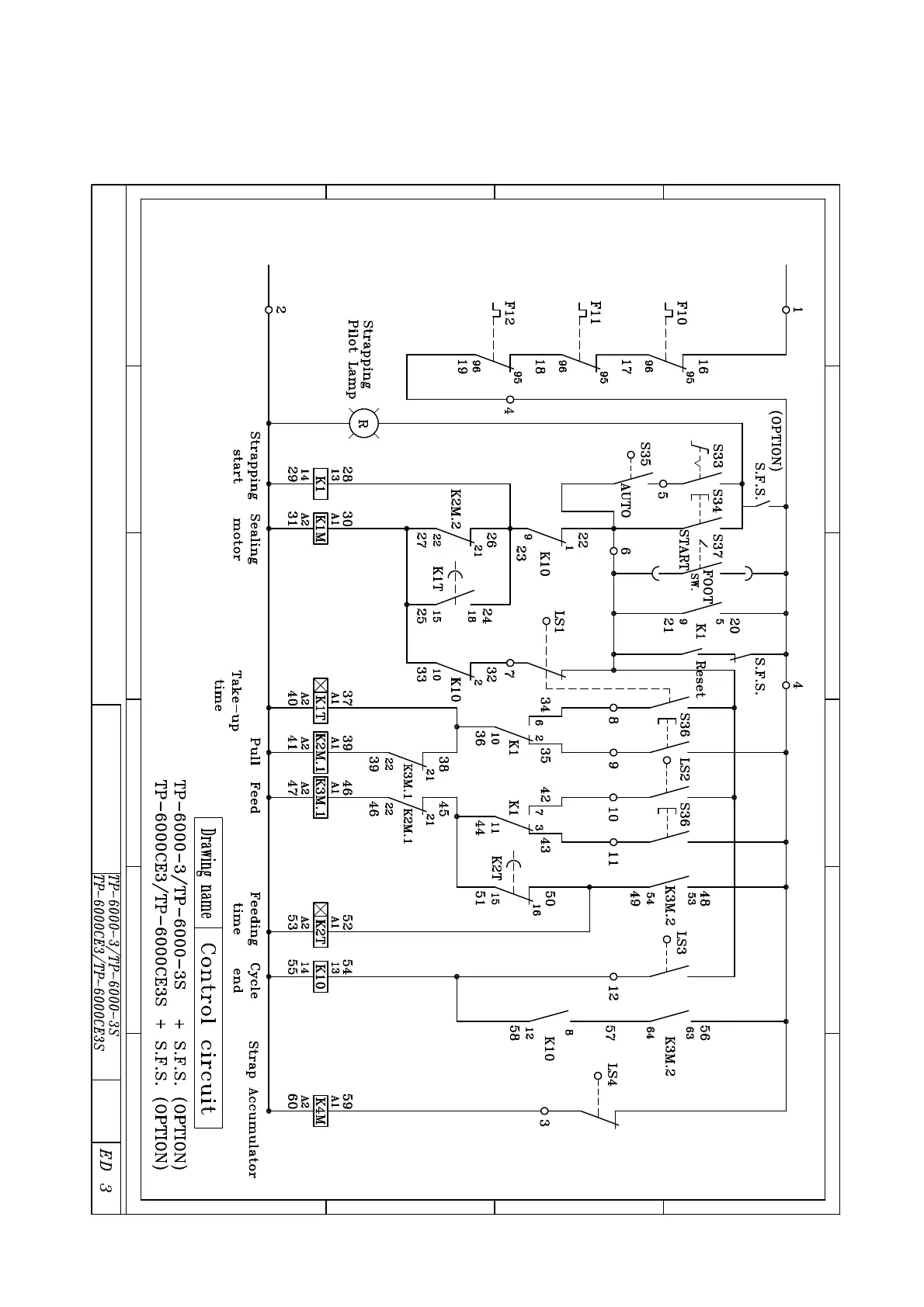
c. TP-6000-3/TP-6000-3S/TP-6000CE3/TP-6000CE3S
01/18/08

Related product manuals