EasyManua.ls Logo

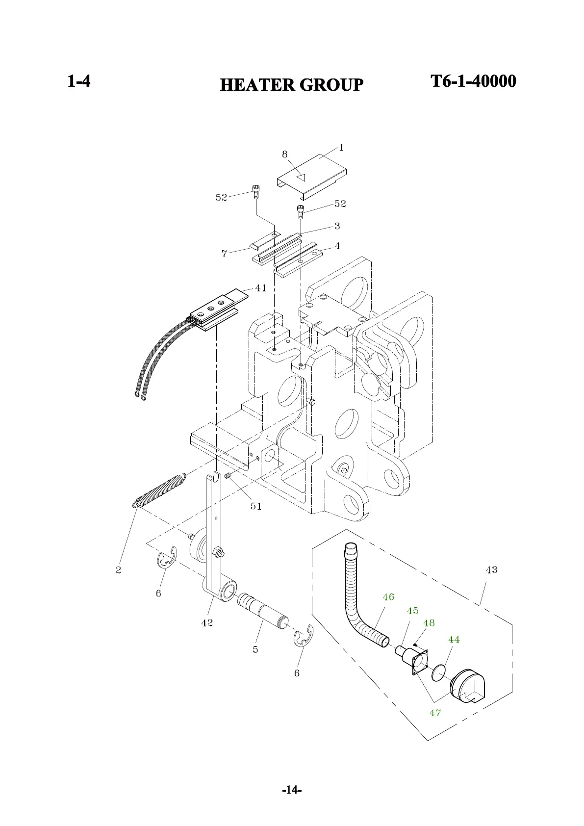
Transpak TP-6000-3 - Heater Group

Transpak TP-6000-3
121 pages
Print Icon
To Next Page IconTo Next Page
To Next Page IconTo Next Page
To Previous Page IconTo Previous Page
To Previous Page IconTo Previous Page
Loading...
11/27/08

Related product manuals