EasyManua.ls Logo

TriangleTube Delta - Page 24

Default Icon
64 pages
Print Icon
To Next Page IconTo Next Page
To Next Page IconTo Next Page
To Previous Page IconTo Previous Page
To Previous Page IconTo Previous Page
Loading...
18
Primary Piping
8
9
Cold Water Fill
Note 3
9
9
9
9
9
3
12
5
3
3
4
4
6
7
2
1
4
10
10
9
9
11
Note 2
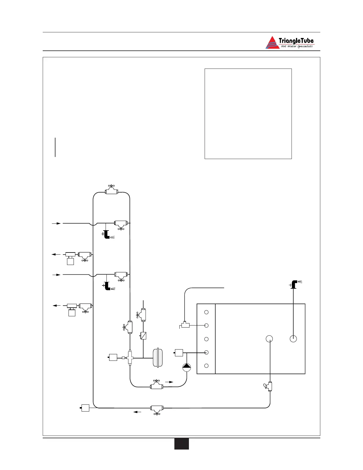
Fig. 7: Primary Piping - Zoning with Zone Valves
1. Modulating Delta
2. Pressure Relief Valve
3. Automatic Air Vent
4. Drain/Purge Valve
5. Circulator
6. Air Separator
7. Expansion Tank-Diaphragm
8. Automatic Fill Valve
9. Isolation Valve
10. Zone Valve
11. Bypass Valve
12. Flow Check Valve
Notes:
1. Install a minimum of 12
straight pipe diameters
upstream of all circulators.
2. Adjust bypass for a mini-
mum of 3 gpm under any
operating condition.
3. Verify primary circulator is
properly sized to overcome
the system pressure drop and
provide adequate flow
through the appliance.

Table of Contents

Related product manuals