EasyManua.ls Logo

Trotec TTK 75 E - Page 16

Trotec TTK 75 E
20 pages
Print Icon
To Next Page IconTo Next Page
To Next Page IconTo Next Page
To Previous Page IconTo Previous Page
To Previous Page IconTo Previous Page
Loading...
16 EN
dehumidifier TTK 75 E
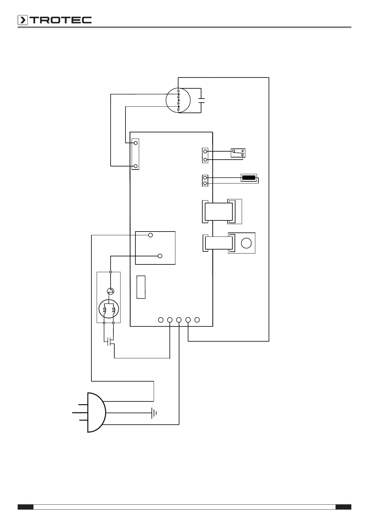
Wiring diagram
CONTROL BOARD
CN 1
NO
H.sensor
COM.
CN 3
FF//MMOOTTOORR
L
N
E
B
R
O
W
N
BBLLUUEE
RED
T.sensor
CN 4
CN 2
CN 1
SWITCH
BLU
E
YELLOW
CCAAPPAACCIITTOORR
RED
A C CORD
CAPACITOR
FUSE
TT11AALL 225500VV
YEL
L
O
W
/G
R
E
EN
BBLLAACCKK
WWHHIITT
EE
BLU E
COMPRESSOR
OL P
WWHHIITTEE
BBLLUUEE
CN 7
N
N
P3
P4
P6
P7
P5

Other manuals for Trotec TTK 75 E

Related product manuals