EasyManua.ls Logo

Troy-Bilt TB425CS - Page 93

Troy-Bilt TB425CS
96 pages
Print Icon
To Next Page IconTo Next Page
To Next Page IconTo Next Page
To Previous Page IconTo Previous Page
To Previous Page IconTo Previous Page
Loading...
E33
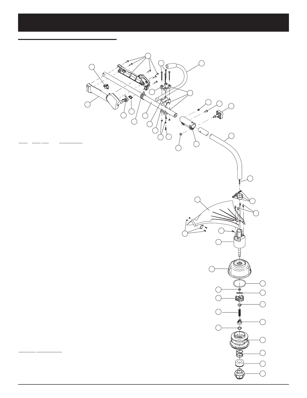
TB425CS PARTS LIST
Item Part No. Description
1 753-04234 Throttle Housing Assembly (includes 2-4)
2 753-04119 Throttle Trigger
3 791-182690 Throttle Trigger Spring
4 791-182405 Switch Assembly
5 791-180687 J-Handle Assembly
6 791-683295 Handle Bracket Assembly (includes 7-12)
7 791-181811 Screw
8 791-181812 Upper Handle Clamp
9 791-181813 Middle Handle Clamp
10 791-181814 Lower Handle Clamp
11 791-181815 Nut
12 791-145569 Anti-Rotation Screw
13 791-610327 Harness Clip
14 753-1247 Upper Drive Shaft Housing Assembly
15 753-1190 Split Boom Coupler (includes 16-19)
16 791-182057 Screw
17 791-181617 Bolt
18 791-181981 Adjustment Knob (includes 19)
19 753-04386 Knob Retaining Nut
20 753-04304 Lower Drive Shaft Housing Assembly
21 791-181852 Lower Flexible Drive Shaft
22 791-153597 Lower Clamp Assembly
23 791-145569 Anti-Rotation Screw
24 791-180531 Shield Mounting Hardware
25 791-181659 Shield Assembly (includes 26)
26 791-181823 Blade Assembly
27 791-181857 Bushing Housing Assembly
28 791-181457 Outer Spool Assembly (includes 29)
29 791-181458 Retaining Ring
30 791-181561 Thrust Washer
31 791-181459 Small Spring
32 791-181461 Slider
33 791-181532 E-Clip
34 791-181531 Spring
35 791-181462 Plunger
36 791-181463 C-Clip
37 791-181464 Inner Reel
38 791-181465B Large Spring
39 791-181467 Foam Seal
40 791-181468B Bump Head Knob Assembly
(includes 38 & 39)
Optional Accessories
* 791-180120 Replacement Line, 0.095 Diameter
* 753-04218 Reel and Line Assembly
* 791-682075B Shoulder Strap Assembly
* Items Not Shown
19
1
4
1
2
3
13
14
9
10
11
12
6
8
7
5
15
16
17
18
20
21
22
24
25
26
23
27
28
29
32
34
36
30
31
33
35
37
38
39
40
BOOM AND TRIMMER PARTS - MODEL TB425CS
4-CYCLE GAS TRIMMER

Related product manuals