EasyManua.ls Logo

Truper COMP-25LT - Start up

Truper COMP-25LT
24 pages
Print Icon
To Next Page IconTo Next Page
To Next Page IconTo Next Page
To Previous Page IconTo Previous Page
To Previous Page IconTo Previous Page
Loading...
8
Start Up
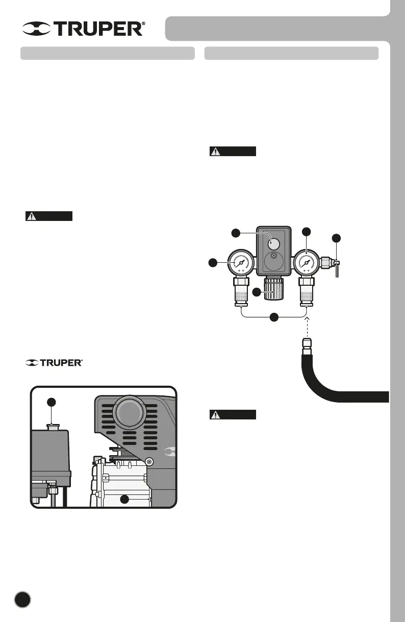
E
F
J
H
G
I
Switch ON and OFF
• Connect one end of the air hose into any of the
compressors outlets (H).
• Connect the other end of the air hose to the pneumatic
tool outlet (not included). Double check the connections
match.
• Adjust the outlet pressure with the pressure regulator (I).
Turn the knob to the right to increase the outlet pressure.
Turn to the left to lower until reaching the desired pressure
indicated in the left gauge (J).
• Pressure adjustment shall be carried
out with the outlet valve open.
• After connecting the compressor to the air line, make it
run loaded into the maximum pressure. Double check it
works properly.
• Double check there are no leaks in the air line. Turn OFF
the compressor to repair anu leak detected.
• The motor and the cover can reach
very high temperatures. When working with the
compressor avoid touching that zone to prevent burns.
Operation
CAUTION
CAUTION
ENGLISH
• Before operating the compressor set it onto a flat,
leveled and solid surface, well ventilated and away from
flammable objects like curtains, etc. Leave 12” free space
at least around the compressor to allow air circulation.
• Connect the plug into the power outlet. Double check
the cable is not an obstacle and a tripping hazard or get
damaged.
• Lift the switch (E) to turn ON the compressor. The motor
will start and fill the tank up to the maximum pressure.
Then, it will shut OFF automatically. While the compressor
is in use and in order to keep the constant pressure
indicated in the right gauge (F) will start again when the
pressurestat detects diminished pressure.
• To turn OFF the compressor press the switch. Then,
release the air remaining in the yank pulling the pressure
release valve ring (G).
• Never disconnect the compressor
from the power supply to turn it OFF. If the power supply
is accidentally cut do not forget pressing the switch to
correctly turn OFF the compressor.
• The compressor is built with a thermal switch (K) that
prevents the motor from excessively overheating. The
motor turns OFF when the switch is activated. To restore
the motor, follow these steps:
1.- Press the switch (E) to make sure the compressor is off.
2.- Let the compressor cool for at least 5 minutes
3.- Press the thermal switch (K) located on the side of the
crankcase.
4. Lift the switch (E) to turn on the compressor.
Note: If the unit shuts down again, please contact an
Authorized Service Center.
CAUTION
K
E

Related product manuals