EasyManua.ls Logo

TSL AMU2-2MA - AMP-2 Facilities

Default Icon
21 pages
Print Icon
To Next Page IconTo Next Page
To Next Page IconTo Next Page
To Previous Page IconTo Previous Page
To Previous Page IconTo Previous Page
Loading...
AMU2-2MA MKIII 11 ISSUE 1
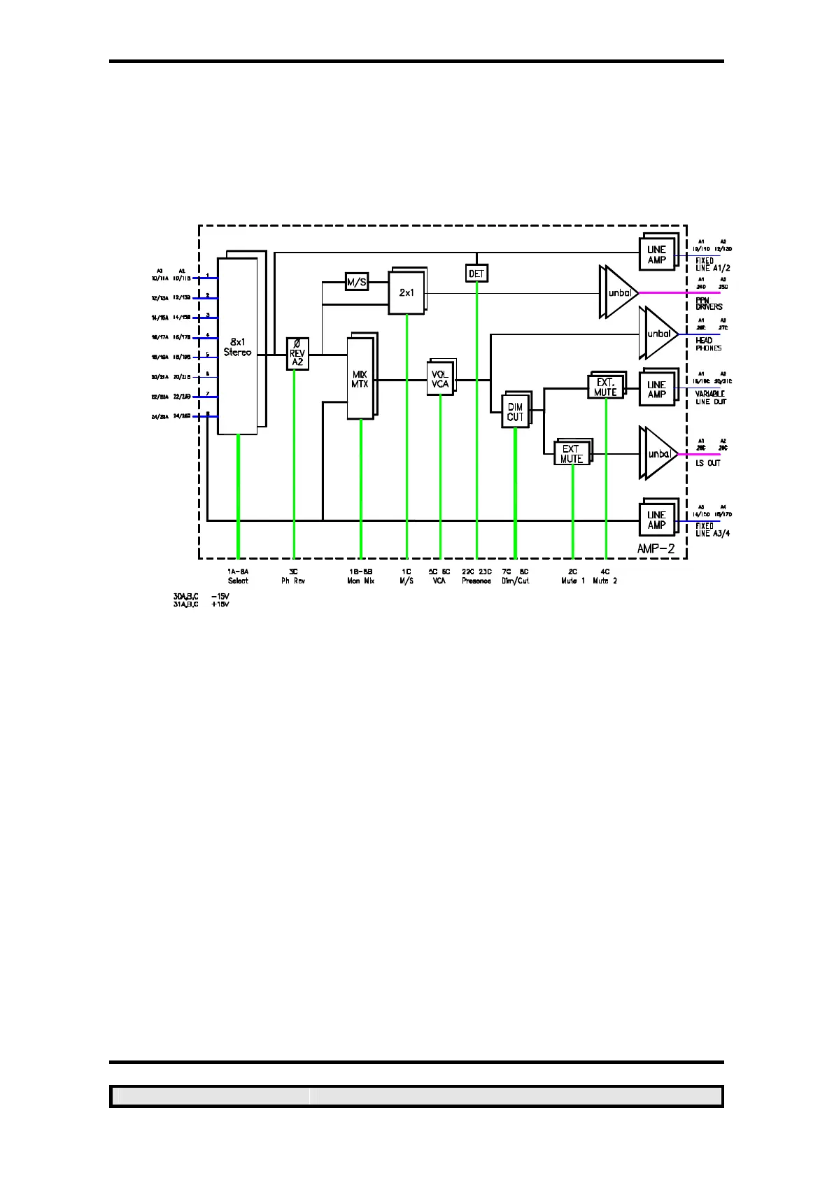
3.0 AMP-2 Facilities
This card provides all of the analogue processing.

Related product manuals