EasyManua.ls Logo

TTI CPX200 - Circuit Descriptions; Power Section Overview

TTI CPX200
30 pages
Print Icon
To Next Page IconTo Next Page
To Next Page IconTo Next Page
To Previous Page IconTo Previous Page
To Previous Page IconTo Previous Page
Loading...
Circuit Descriptions
The two outputs are identical with the exception of slight layout variations; only one output
(Channel A) is therefore described. Component positions on the other output (Channel B) are
numbered from 101 upwards, e.g. C22 on Channel A described is C122 on Channel B.
Power Section
The power section is contained entirely on the main (lower) board; refer to the main pcb
schematic.
Each output is configured as a double-ended half-bridge operating in continuous flyback mode to
reduce switching currents in the power FETs and output diodes; both converters operate from a
common high voltage (rectified mains) supply.
The secondary power limit is determined by the primary current limit which gives rise to a linear
characteristic (between maximum current and maximum voltage) rather than a parabolic
characteristic associated with a true ‘constant power’ limit, see Specification section.
Mains Input, Filtering and Rectification
The AC input to the supply is direct via a pcb-mounted IEC inlet connector. Components C9, L3,
L4, and C5-C8 comprise an input filter which ensures that the supply meets both conducted
emission and conducted immunity EMC requirements. VDR1 ‘clips’ mains spikes for component
protection; R3 provides safety discharge for C9, C5 and C8.
Pcb-mounted fuse FS1 limits damage on switchmode failure; the front panel mains switch is
connected via PJ6; RT1 reduces the mains inrush current when the unit is turned on from cold.
BRI is a bridge rectifier and C1, C2 the reservoir capacitors for the high voltage rail which is
linked at PJ10 to VBULKA and VBULKB of Channel A and Channel B respectively. L1 and L2
reduce current spikes caused by the switching of the FETs. BR1 and C1, C2 can also be
configured as a voltage doubler for 115VAC operation by fitting the header into PJ1B instead of
PJ1A; however, for operation up to full power (350W) L3 and L4 must be changed to 8Amp
components. PJ1 is also the point from which mains power is fed to the auxiliary mains
transformer.
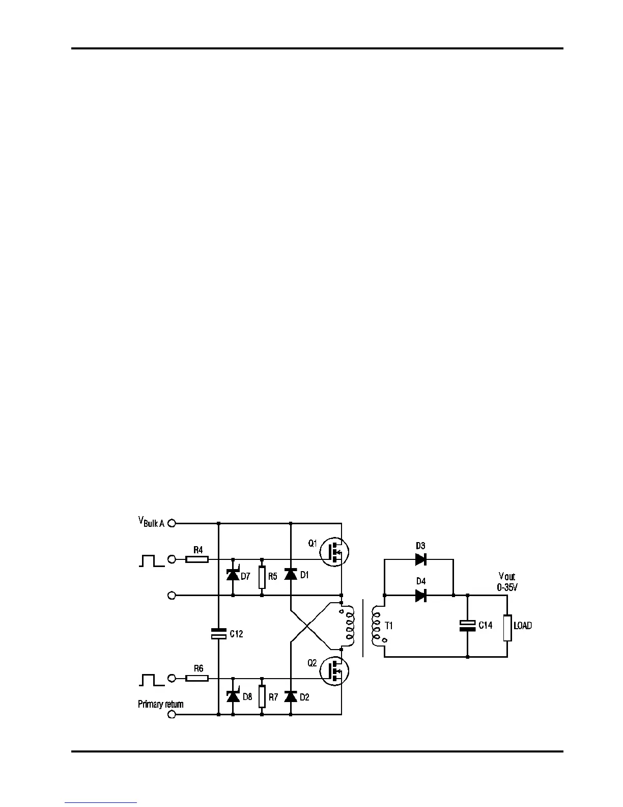
Operation of the Double-ended Half-bridge
A simplified version of the power switching stage is shown below.
When FETs Q1 and Q2 are turned on, current flows in the primary winding of power transformer
T1, storing energy in the primary inductance; D3 and D4 are reverse-biased so no current flows in
7

Other manuals for TTI CPX200

Related product manuals