EasyManua.ls Logo

TTI QPX1200 - Page 44

TTI QPX1200
49 pages
Print Icon
To Next Page IconTo Next Page
To Next Page IconTo Next Page
To Previous Page IconTo Previous Page
To Previous Page IconTo Previous Page
Loading...
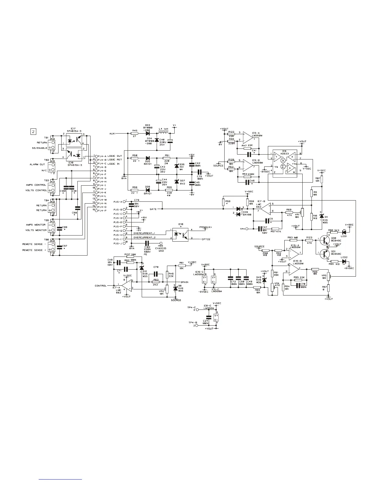
QPX1200 POWER PCB – Sheet 2 of 3

Related product manuals