EasyManua.ls Logo

Tyco SYSTEM 800 - Page 12

Tyco SYSTEM 800
14 pages
Print Icon
To Next Page IconTo Next Page
To Next Page IconTo Next Page
To Previous Page IconTo Previous Page
To Previous Page IconTo Previous Page
Loading...
I.S. SYSTEM 800
17A-13-I
11/03
PAGE 12 of 14
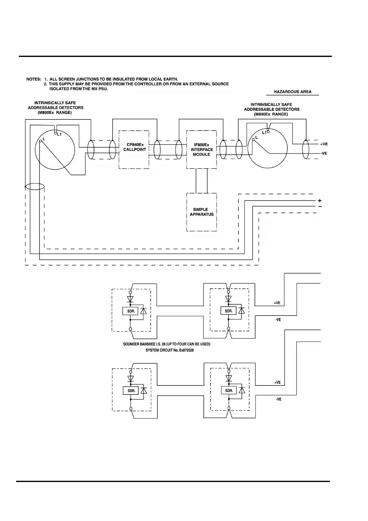
Fig. 5a) I.S. Interconnection Diagram to MX Addressable Fire Detection Systems
www.acornfiresecurity.com
www.acornfiresecurity.com

Related product manuals