EasyManua.ls Logo

Tyco SYSTEM 800 - Page 13

Tyco SYSTEM 800
14 pages
Print Icon
To Next Page IconTo Next Page
To Next Page IconTo Next Page
To Previous Page IconTo Previous Page
To Previous Page IconTo Previous Page
Loading...
I.S. SYSTEM 800
17A-13-I
11/03
EQUIPMENT:
PUBLICATION:
ISSUE No. & DATE:
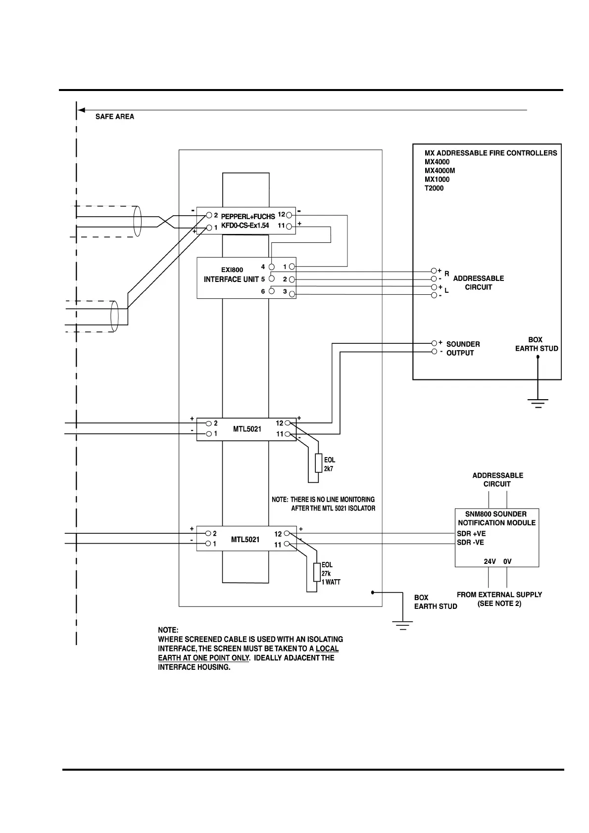
Fig. 5b) I.S. Interconnection Diagram to MX Addressable Fire Detection Systems
www.acornfiresecurity.com
www.acornfiresecurity.com

Related product manuals