EasyManua.ls Logo

TYM T451 - Page 103

TYM T451
108 pages
Print Icon
To Next Page IconTo Next Page
To Next Page IconTo Next Page
To Previous Page IconTo Previous Page
To Previous Page IconTo Previous Page
Loading...
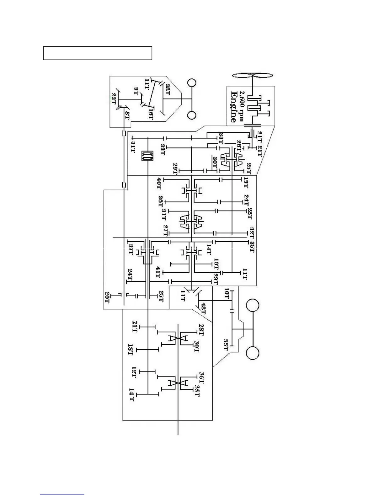
T431/T451 POWER TRAIN
102

Table of Contents

Related product manuals