EasyManua.ls Logo

TYM T451 - Air Conditioner Operation

TYM T451
108 pages
Print Icon
To Next Page IconTo Next Page
To Next Page IconTo Next Page
To Previous Page IconTo Previous Page
To Previous Page IconTo Previous Page
Loading...
2. OPERATION
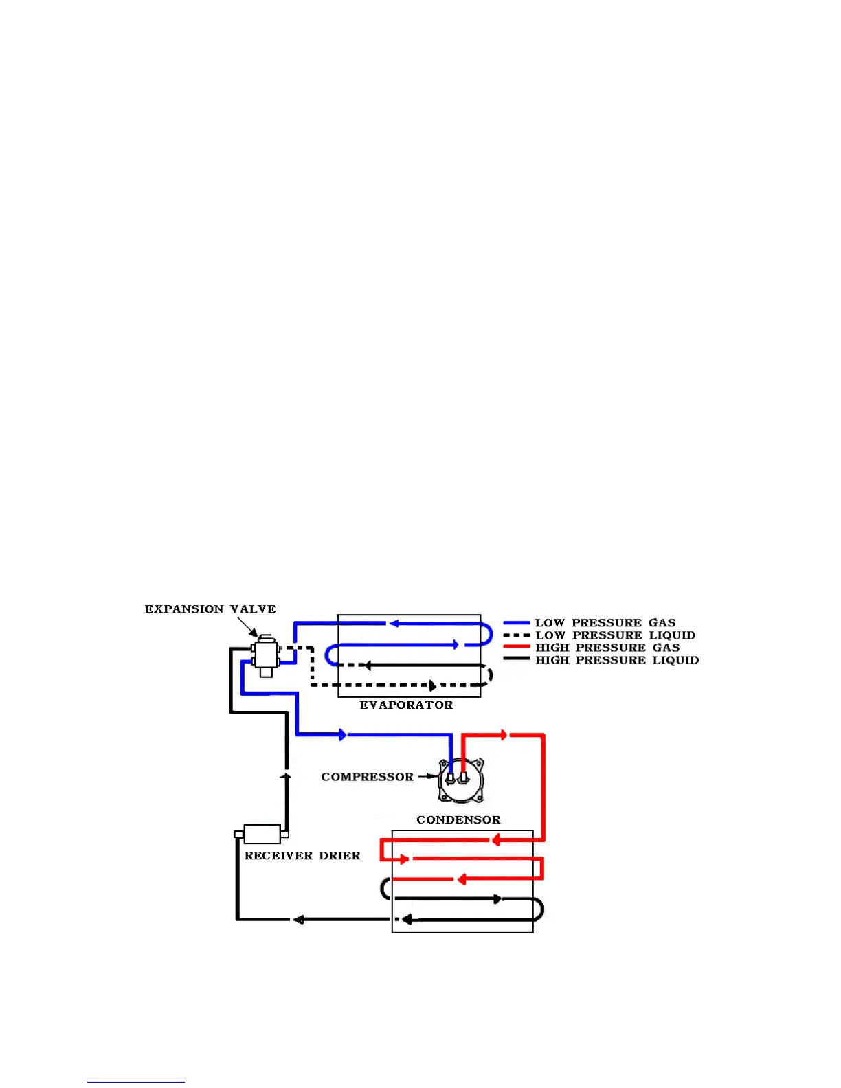
The air conditioner system contains five major components: Compressor, receiver drier, expansion
valve and evaporator. These components are connected by tubes and hoses and operate as a closed
system. The air conditioner system is charged with R-134a refrigerant..
The compressor receives the refrigerant as a low pressure gas. The compressor then compresses the
refrigerant and sends it in the form of a high-pressure high temperature gas to the condenser. The
airflow through the condenser then removes the heat from the refrigerant. As the heat is removed the
refrigerant changes to the high-pressure liquid.
The high-pressure refrigerant liquid then flows from the condenser to the receiver drier. The receiver
drier is a container filled with moisture removing material, which removes any moisture that may have
entered the air conditioner system in order to prevent corrosion of the internal components of the
system.
The refrigerant still in a high pressure liquid form, then flows from the receiver drier to the expansion
valve then causes a restriction in flow of refrigerant to the evaporator core, lowering the pressure of
the liquid.
As the refrigerant flows through the evaporator core the refrigerant is heated by the air around and
flowing through the evaporator fins. The combination of increased heat and decreased pressure causes
the refrigerant to evaporate an d form a low pressure gas.
The evaporation causes the airflow through the evaporator fins to become very cool. The cool air then
passes from the evaporator to the operators cab.
The low pressure refrigerant gas return to the compressor to repeat the cycle.
83

Table of Contents

Related product manuals