EasyManua.ls Logo

typical GC0303 - Page 17

typical GC0303
37 pages
Print Icon
To Next Page IconTo Next Page
To Next Page IconTo Next Page
To Previous Page IconTo Previous Page
To Previous Page IconTo Previous Page
Loading...
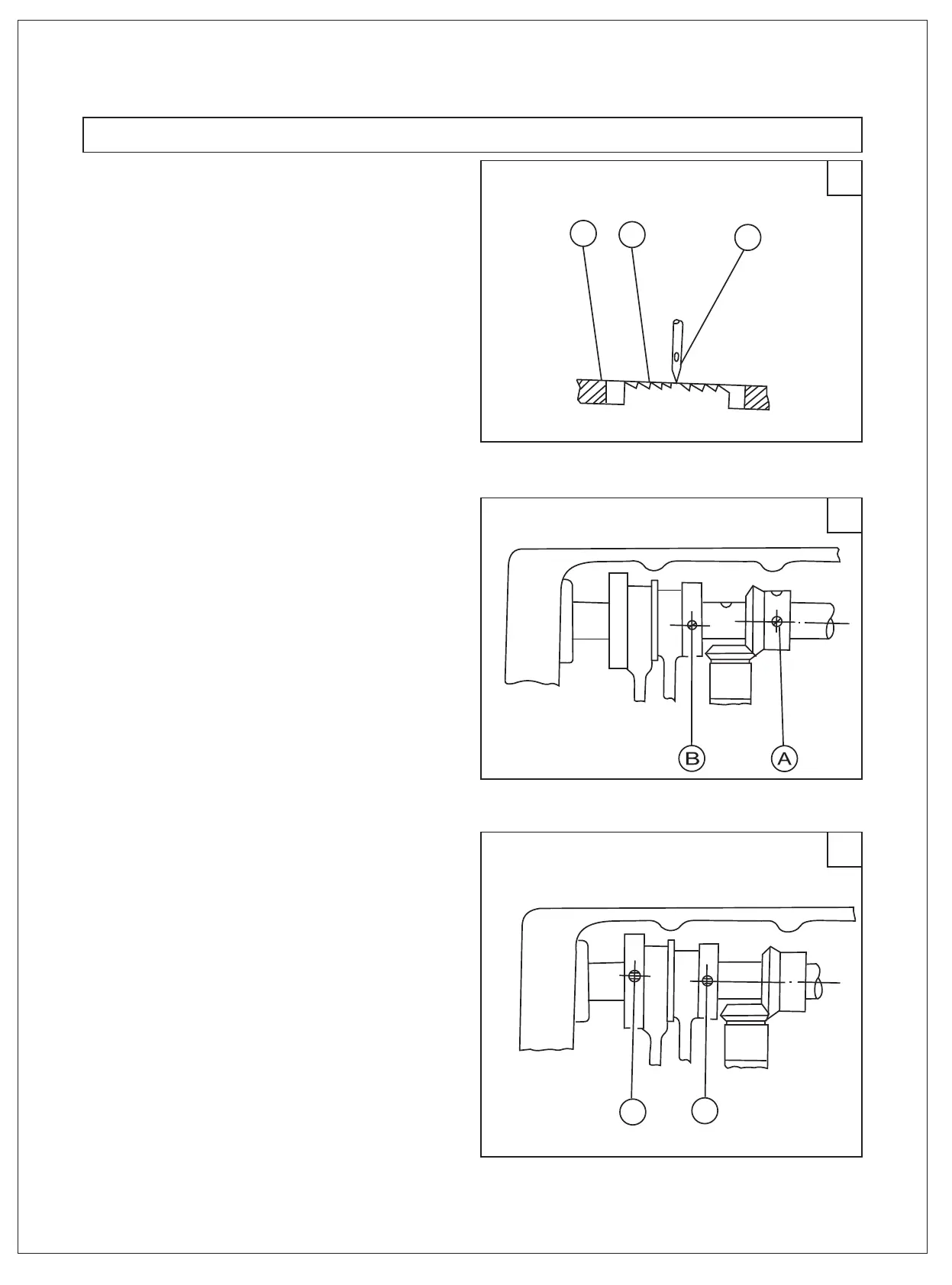
1、Standard position
Turn balance wheel to lower Feed dog (A) till it is
horizontal with the surface (B) of thrat plate, at the
moment, the tip of needle ( ) shonld be horizontal with
the surfaces of throat plate and feed dog.
Adjustment cam be done by adjusting the position
of feed cam and feed dog lift cam.
.
.
2、Installing feed dog lift cam (See Fig 33)
3、Installing feed cam (See Fig 34)
26. Feed timing adjusting (Fig 323334
34
32
-13-
33
A
B
C
C
B
Open the back side cover, turn balance wheel by
left hand counter-clockwise, take Screw A as for the
standard, the center of Screw B is slighthy a little lower
than the center of Screw A. .
Continously turn balance wheel, take Screw (B) as
for standard, the center of Screw ( ) is slightly a little
higher than the center of Screw (B). .
C
C

Related product manuals