EasyManua.ls Logo

typical GC0303 - Page 7

typical GC0303
37 pages
Print Icon
To Next Page IconTo Next Page
To Next Page IconTo Next Page
To Previous Page IconTo Previous Page
To Previous Page IconTo Previous Page
Loading...
6
A
C
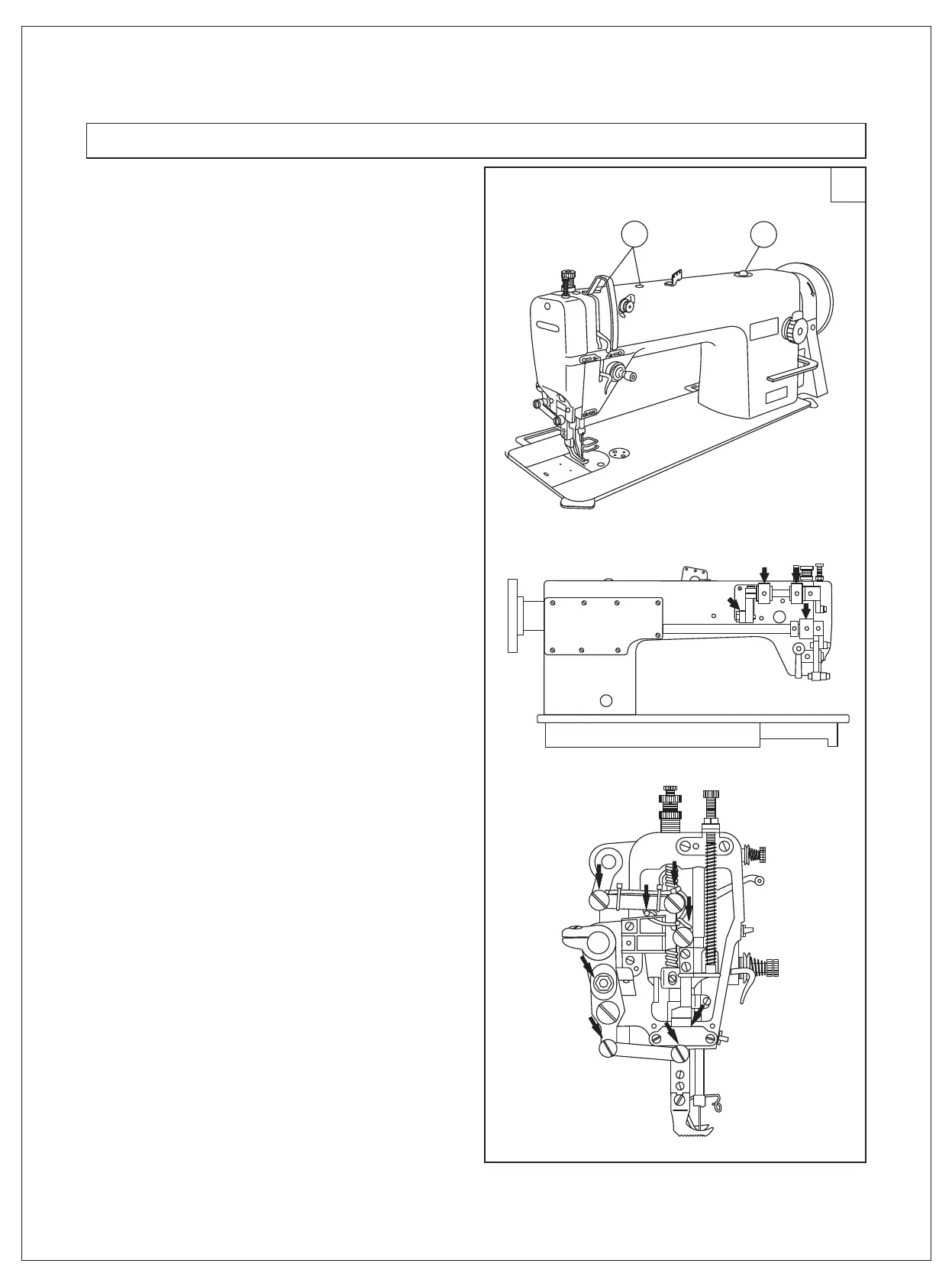
When the machine left out of operation for a quite
long time and used again, remove the red rubber plug on
top of the machine head, oil it thoroughly, the lift the
presser foot and run at a low speed of 1000 1500spm,
observe the sparkling condition through oil window (c),
as the lubrication is well, keep the running test at the low
speed about 30 minutes, then increase the speed gradually,
after months running to perfect its performance, then
increase up to proper sewing speed. .
8. Trial run (Fig 6)
-3-
'

Related product manuals