EasyManua.ls Logo

U-Line 95 Icemaker - Page 32

U-Line 95 Icemaker
76 pages
Print Icon
To Next Page IconTo Next Page
To Next Page IconTo Next Page
To Previous Page IconTo Previous Page
To Previous Page IconTo Previous Page
Loading...
Service and Parts Manual
32
BLACK
BLACK
EMBRACO
GREEN
BLUE
WHITE
MATSUSHITA
BLUE
CAPACITOR
WHITE
BLUE
GREEN
BLUE
COMPRESSOR
OVERLOAD
RELAY
BLUE
RELAY
OVERLOAD
8
3
2
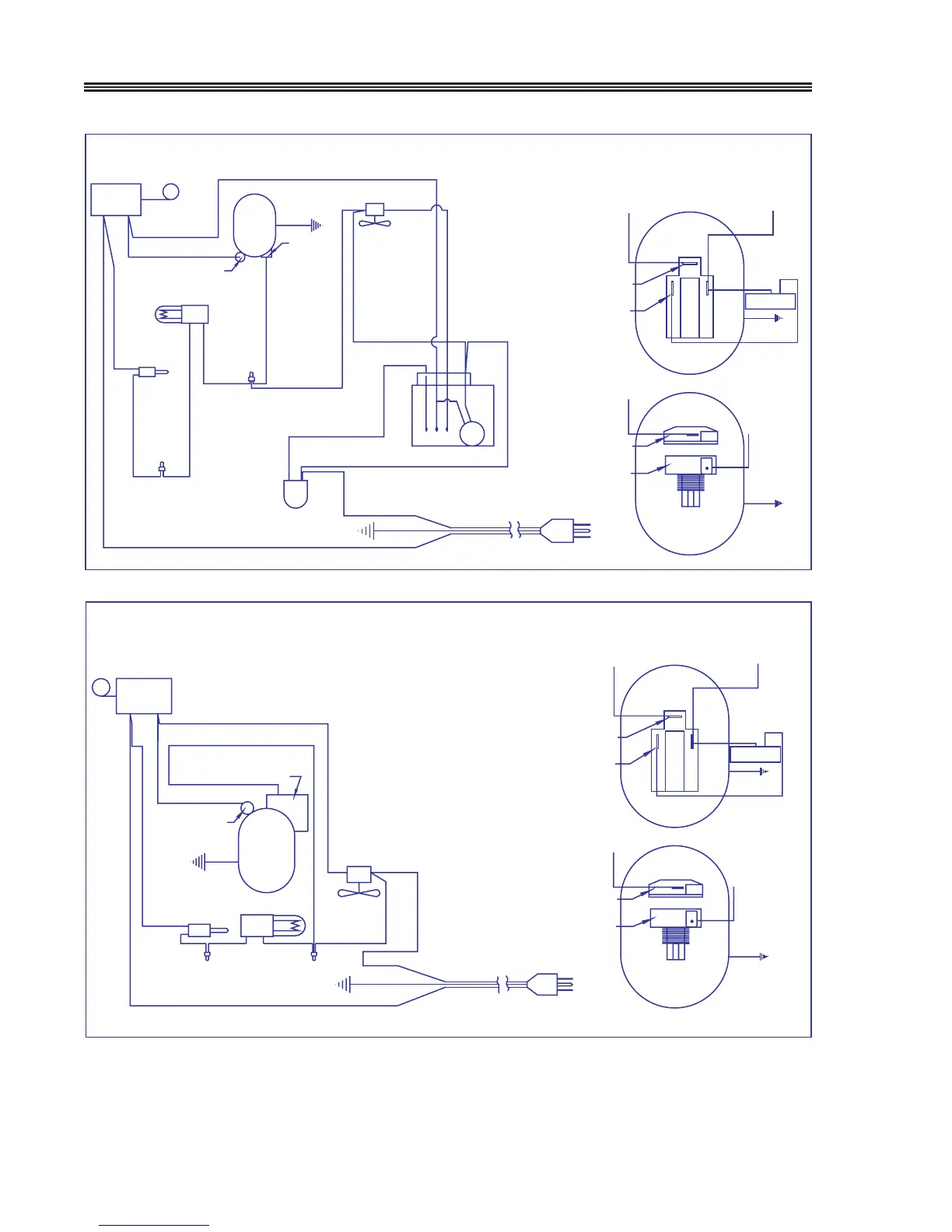
75AD WIRING DIAGRAM
ASSEMBLY
POWER CORD
SOLENOID
BYPASS
GREEN
BLACK
WHITE
(RIBBED)
WHITE
BLACK
WHITE
RELAY
GREEN
BLACK
LAMP
SWITCH
DOOR
BLACK
WHITE
WHITE
OVERLOAD
BLUE
CONTROL
TEMP
COMPRESSOR
BROWN
WHITE
WHITE
MOTOR
TIMER
DEFROST
3124
BLACK
FAN
CONDENSER
BLACK
P/N B41870
BLACK
EMBRACO
GREEN
WHITE
WHITE
BLUE
MATSUSHITA
BLUE
BLUE
GREEN
BLUE
CAPACITOR
RELAY
COMPRESSOR
8
OVERLOAD
BLUE
OVERLOAD
RELAY
3
2
SWITCH
DOOR
BLACK
LAMP
GREEN
BLACK
(RIBBED)
WHITE
WHITE
75R WIRING DIAGRAM
WHITE
RELAY
BLACK
BLUE
BLACK
BLACK
LOAD
OVER
GREEN
COMPRESSOR
2
CONTROL
TEMP
CONDENSER
3
FAN
1
P/N B41880
ON S43C COMPRESSOR
CAPACITOR NOT USED

Related product manuals