EasyManua.ls Logo

U-Line 95 Icemaker - Page 35

U-Line 95 Icemaker
76 pages
Print Icon
To Next Page IconTo Next Page
To Next Page IconTo Next Page
To Previous Page IconTo Previous Page
To Previous Page IconTo Previous Page
Loading...
35
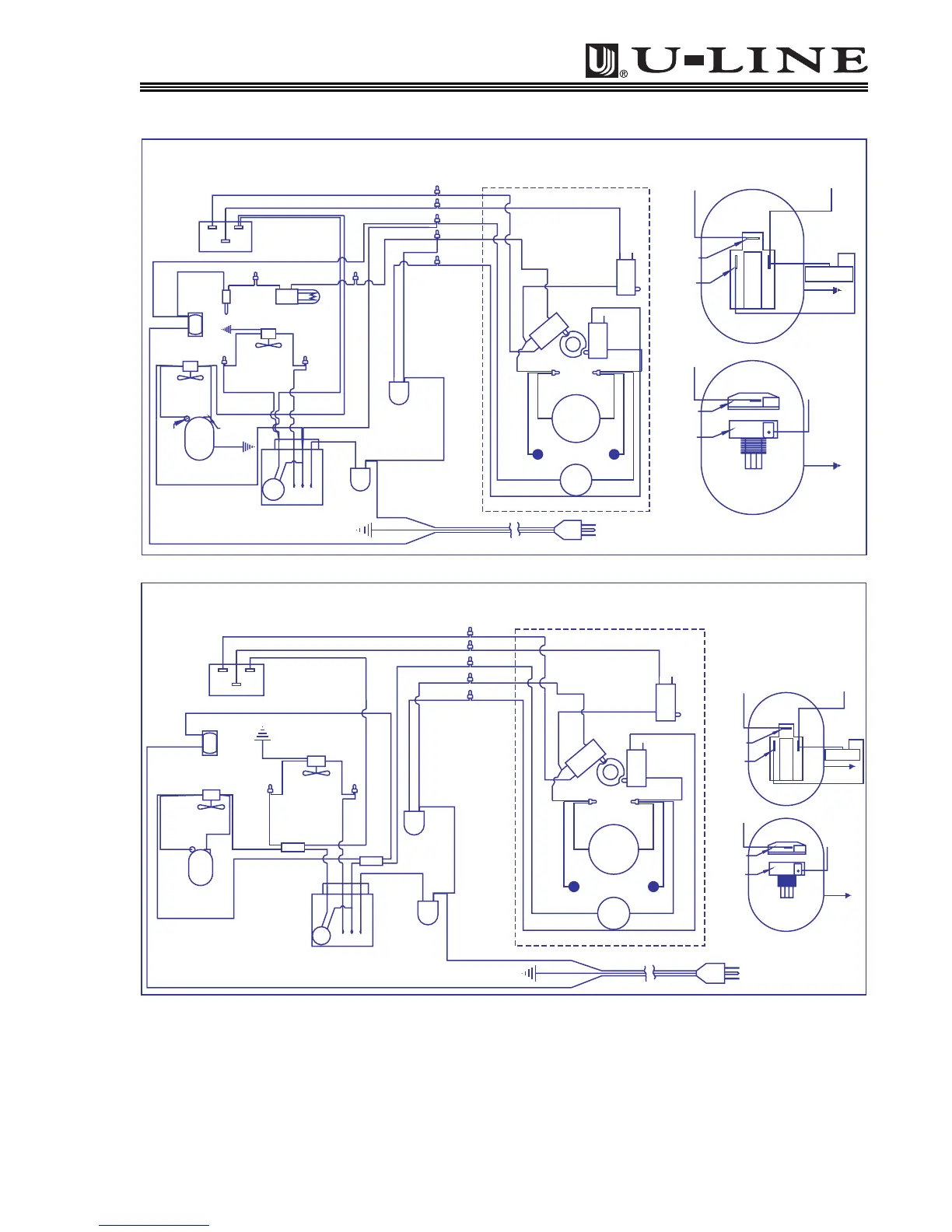
ICEMAKER ASSEMBLY
NO
COMBO 75FF (Previous Design; starting S/N 7CF300000,
7CF400000 or 7CF500000) WIRING DIAGRAM
BLACK
ORANGE
BLACK
MOTOR
GREEN
BLACK
SOLENOID
BYPASS
WHITE
WHITE (RIBBED)
BLACK
BLACK
BLACK
ON/OFF SWITCH
COMPRESSOR
GREEN
WHITE
BLACK
LOAD
OVER
BLACK
CONDENSER
FAN
3
RELAY
421
FAN
EVAP
PURPLE
BLACK
BLACK
PURPLE
CONTROL
TEMPERATURE
BLACK
SWITCH
DOOR
2
BLACKBLACK
1
3
WHITE
LAMP
SOLENOID
WATER
BLUE
WHITE
BLACK
YELLOW
YELLOW
WHITE
BLACK
WHITE
BROWN
BLUE
BLACK
RED
BLACK
BROWN
WHITE
YELLOW
RED
GREEN
BLACK
SW
LIMIT
EMBRACO
MATSUSHITA
BLACK
ORANGE
MOLD HEATER
MOTOR
3 RPM
BLACK
NC
CAM
SW
HOLD
C
C
BROWN
NO
NC
SW
WATER
NC
ORANGE
NO
SW
BIN
C
RED
BLACK
WHITE
BLUE
CAPACITOR
BLUE
BLUE
GREEN
WHITE
COMPRESSOR
3
BLACK
OVERLOAD
RELAY
OVERLOAD
RELAY
2
8
P/N A41882
WHITE (RIBBED)
MOTOR
BLACK
SOLENOID
BYPASS
TIMER
BLACK
WHITE
EVAPORATOR
FAN
PURPLE
BLACK
BLACK
COMPRESSOR
CONDENSER
FAN
WHITE
RELAY
OVERLOAD
BLACK
WHITE
BLACK
PURPLE
CONTROL
TEMPERATURE
BLACK
GREEN
3
1
2
SOLENOID
WATER
3412
BLACK
WHITE
BLUE
BLACKBLACK
BROWN
WHITE
BROWN
WHITE
RED
YELLOW
YELLOW
RED
SW
LIMIT
EMBRACO
BLACK
ICEMAKER ASSEMBLY
GREEN
P/N B41858
YELLOW
C
MOLD HEATER
MOTOR
3 RPM
NC
SW
WATER
ORANGE
BLACK
BLACK
NC
NO
CAM
SW
HOLD
ORANGE
BLACK
BLACK
BLACK
C
NO
RED
ORANGE
SW
BIN
C
BROWN
NO
NC
BLUE
GREEN
BLUE
WHITE
CAPACITOR
GREEN
MATSUSHITA
WHITE
BLACK
BLUE
RELAY
OVERLOAD
RELAY
OVERLOAD
BLACK
3
2
COMPRESSOR
8
COMBO 29FF (Previous Design; starting S/N 2CF300000,
2CF400000 or 2CF500000) WIRING DIAGRAM

Related product manuals