EasyManua.ls Logo

Ulvac GLD-137CC - 8.2 Disassembly Drawing

Ulvac GLD-137CC
54 pages
Print Icon
To Next Page IconTo Next Page
To Next Page IconTo Next Page
To Previous Page IconTo Previous Page
To Previous Page IconTo Previous Page
Loading...
-30-
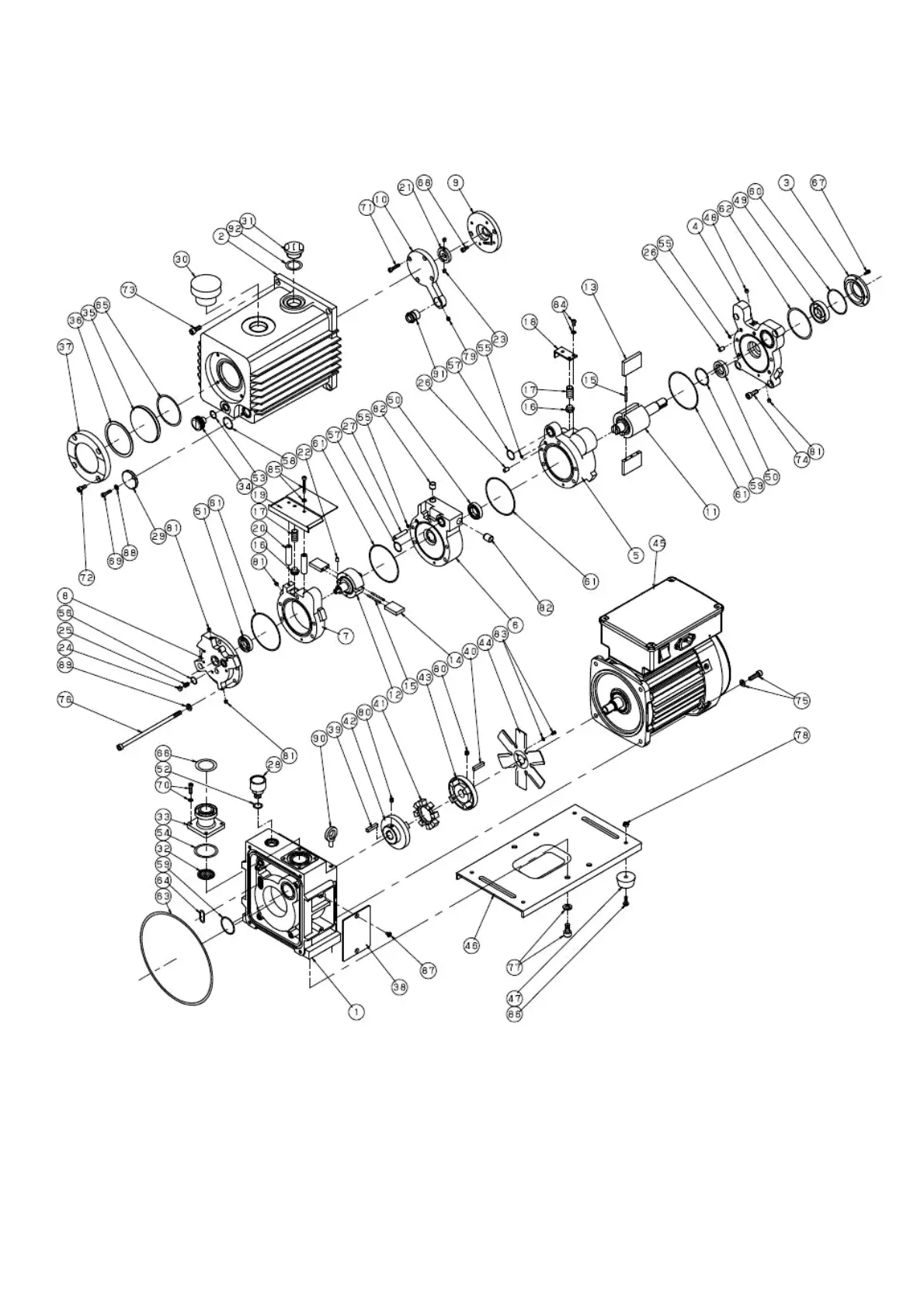
8.2 Disassembly drawing
Fig. 12 Disassembly drawing of GLD-137CC oil sealed rotary vacuum pump

Table of Contents

Related product manuals