EasyManua.ls Logo

Ulvac GP-1GRY - Page 17

Ulvac GP-1GRY
44 pages
Print Icon
To Next Page IconTo Next Page
To Next Page IconTo Next Page
To Previous Page IconTo Previous Page
To Previous Page IconTo Previous Page
Loading...
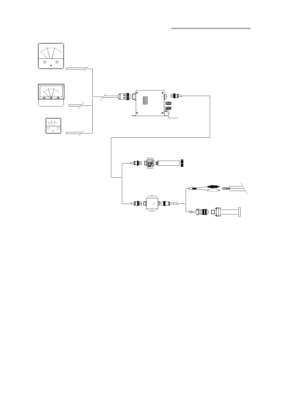
INSTALLING THE PIRANI GAUGE
- 9 -
Meter:A-Type
Meter:C-Type
Meter:B-Type
Cable length between controller and
meter (1m)
GP-1GRY Controller
Sensor head
cable (2-100m)
*
* The sensor head cable is a connector
same as the control side/measuring unit
side.
Measuring unit:GP-H
(WP-01,02,03,16)
Measuring unit:GP-BH
(WP-04,05,WPB-10)
Conversion cable WP-04,05
(2m)
Conversion cable WPB-10
(2m)
WP-01
WP-04
WPB-10-034
Power supply
cord (3m)
Fig. 5 GP-1GRY connection diagram