EasyManua.ls Logo

Ulvac GP-1GRY - Page 36

Ulvac GP-1GRY
44 pages
Print Icon
To Next Page IconTo Next Page
To Next Page IconTo Next Page
To Previous Page IconTo Previous Page
To Previous Page IconTo Previous Page
Loading...
RELATED DRAWINGS
- 28 -
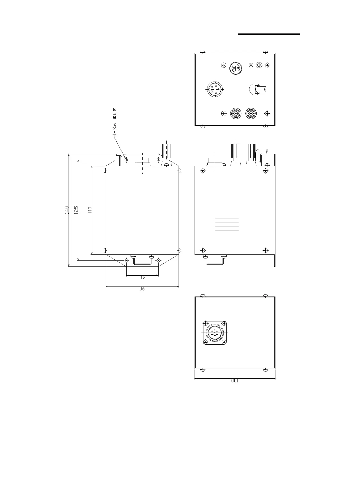
Fig. 11 Dimensional drawing for controller