EasyManua.ls Logo

Universal Audio 6176 - Page 38

Universal Audio 6176
46 pages
Print Icon
To Next Page IconTo Next Page
To Next Page IconTo Next Page
To Previous Page IconTo Previous Page
To Previous Page IconTo Previous Page
Loading...
The Technical Stuff
_____________________________________________________________
33
Output Amplifier
The output amplifier is a Darlington pair followed by a class A stage based on a 2N3053 transistor.
The 1176 output stage was essentially the same as the Universal Audio 1108 pre-amplifier. The
output transformer is a custom transformer designed by Bill Putnam Sr. Aside from offering output
impedance matching, the transformer forms an integral part of the feedback network used to stabilize
the output stage. Note that later revisions (‘F’ and beyond) used a push-pull (class AB) output stage.
(Revision E was essentially the same as revision D. Revision E added 220 Volt operation as well as a
10 M resistor across the ratio switch to avoid ‘pops’ while changing between compression ratios.)
Gain Reduction Control Circuit
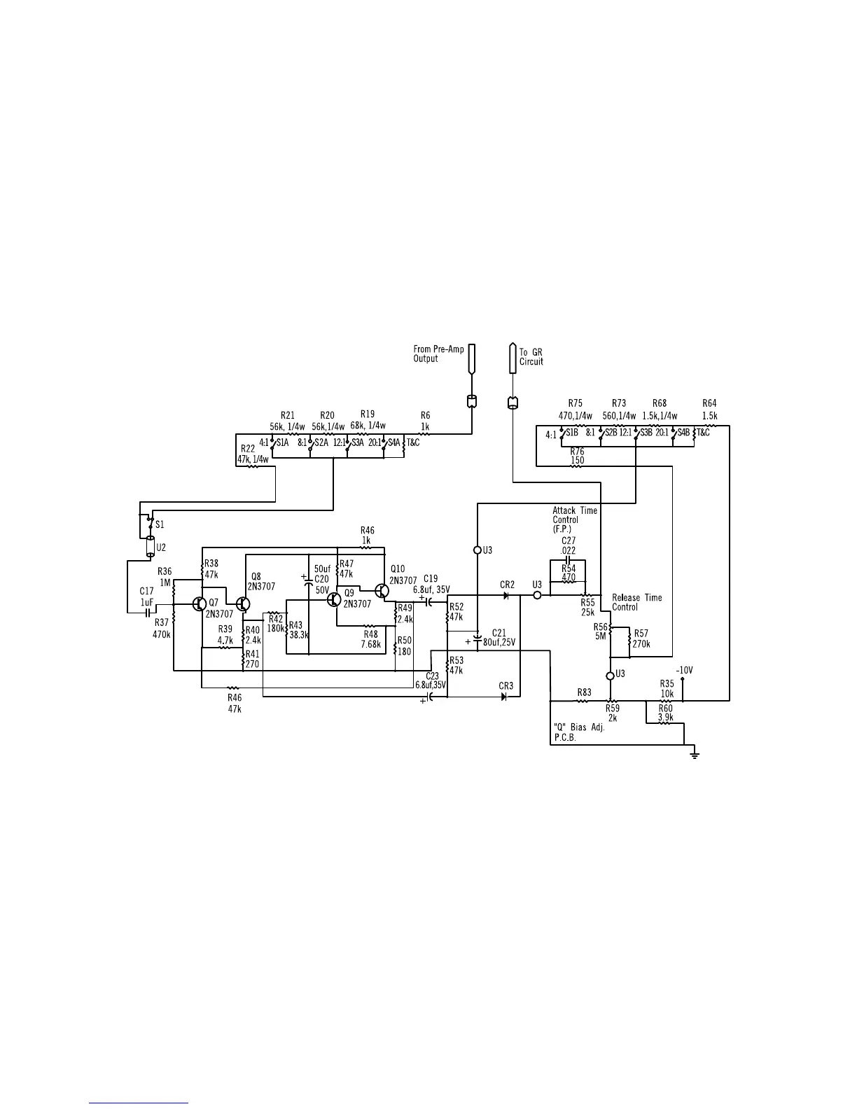
Figure 5 - Gain Reduction Control Circuit
As shown in Figure 5, this circuit controls the amount of compression as well as the attack and
release times of the limiter. The input to this circuit is taken from the output of the preamplifier
section, just before the volume control potentiometer (R23). The compression ratio push-button
switches determine the level of the signal which is sent to the sidechain. This determines the
amount of limiting or compression. Transistor Q7 acts as a phase inverter which is followed by Q8 ,
an emitter follower. This signal then feeds CR3 as well as Q9 and Q10, which comprise another
phase inverter / emitter follower combination. This is then fed to CR2. Note that the signal applied to
CR2 is 180° out of phase with the signal at CR3. Since they are out of phase, the combination of CR2
and CR3 act as a full-wave rectifier. The output of the rectifiers are then filtered by C22 which
smoothes the signal. This DC voltage is proportional to the level of the input signal.

Other manuals for Universal Audio 6176

Related product manuals