EasyManua.ls Logo

Universal M4-30 - Lubrication, Cooling and Fuel Systems

Default Icon
180 pages
Print Icon
To Next Page IconTo Next Page
To Next Page IconTo Next Page
To Previous Page IconTo Previous Page
To Previous Page IconTo Previous Page
Loading...
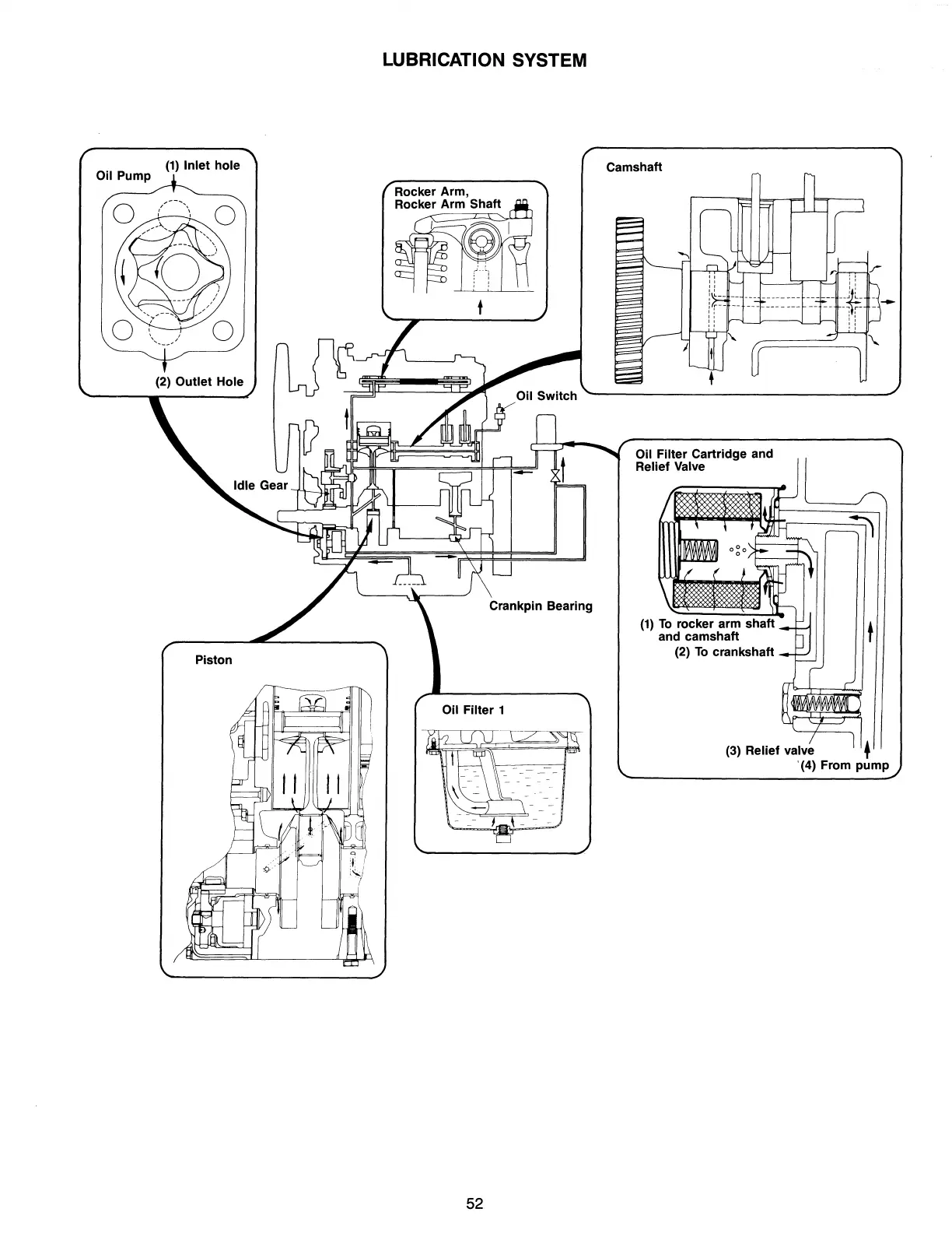
LUBRICATION SYSTEM
Crankpin Bearing
Piston
Oil Filter 1
52
Oil Filter Cartridge and
Relief Valve
(1)
To
rocker arm shaft
and camshaft
(2)
To
crankshaft

Table of Contents

Related product manuals