EasyManua.ls Logo

V-fit Tornado - Page 26

V-fit Tornado
28 pages
Print Icon
To Next Page IconTo Next Page
To Next Page IconTo Next Page
To Previous Page IconTo Previous Page
To Previous Page IconTo Previous Page
Loading...
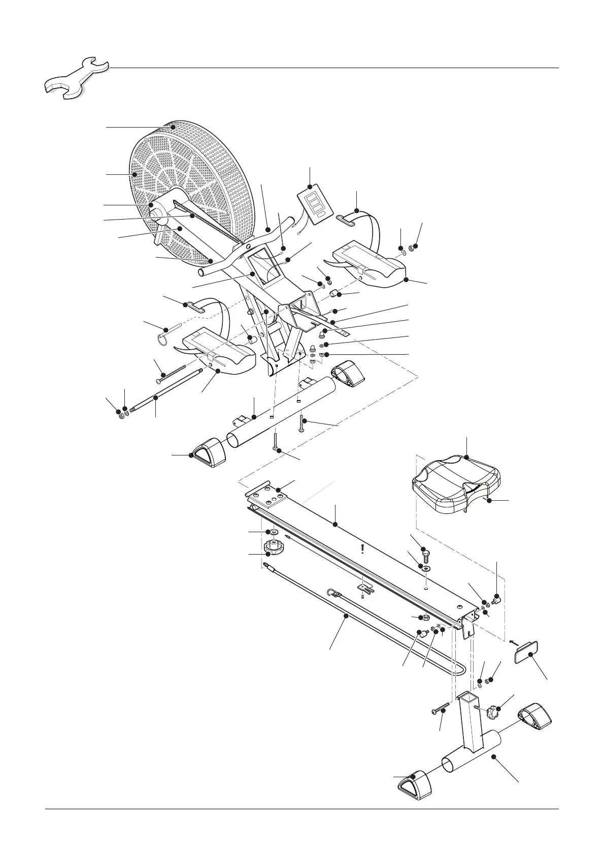
Aufbau / Assembly
Explosionszeichnung / Exploded drawing
8
13
4
7
48
48
46
42
40
49
49
11
44
48
44
11
36
44
14
9
6
17
12
41
41
3
28
29
26
33
31
51
47
43
16
52
15
18
53
50
45
34
21
48
46
18
15
51
47
16
19
21
23
24/25
30
20
1
2
5


Related product manuals