EasyManua.ls Logo

Vaillant eco TEC plus 415 - Sealed Water Systems; Safety Valve; Expansion Vessel; Pressure Gauge

Vaillant eco TEC plus 415
172 pages
Print Icon
To Next Page IconTo Next Page
To Next Page IconTo Next Page
To Previous Page IconTo Previous Page
To Previous Page IconTo Previous Page
Loading...
Installation and Servicing ecoTEC plus16
3 General requirements
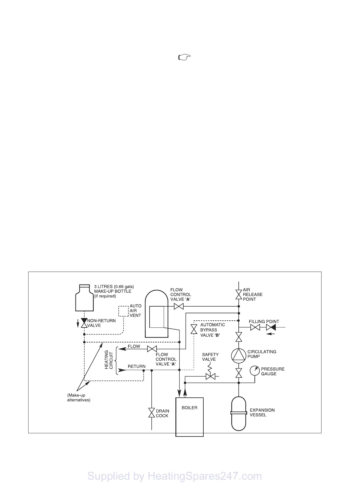
Fig. 3.10 Typical installation
3.17 Sealed water systems
The installation must comply with the appropriate
r
equirements of the current issue of BS4814, BS5449,
BS6759, BS6798 and BS7074 Part 1 and 2. For IE your
attention is drawn to the current edition of IS 813.
See fig 3.10 for a suggested layout.
3.17.1 Safety valve
A safety valve must be fitted to a sealed system.
It shall be preset, non-adjustable with a lift pressure
of 3-bar, incorporating seating of a resilient material, a
test device and a connection for drain.
The safety valve discharge pipe must be routed to
out
side the building, must not discharge above an
en
trance or window or any type of public access area,
be clear of any electrical fittings and positioned so
that any discharge can be seen.
3.17.2 Expansion vessel
A diaphragm type expansion vessel, conforming to
the current issue of BS4814 (see also BS7074 Part
1 and 2). For IE the current edition of IS 813, must
be connected at a point close to the inlet side of the
circulating pump, see the Typical installation, Fig. 3.10.
unless laid down differently by the manufacturer.
The expansion vessel volume depends on the total
water system volume and the initial system design
pressure. For any system an accurate calculation of
vessel size is given in the current issue of BS5449 and
BS7074 Part 1.
Example: For an initial design pressure of 0.7 bar, the
minimum total vessel volume required is 0.063 x Total
System Volume.
Note!
A higher initial design pressure requires a
larger volume expansion vessel.
The charge pressure must not be less than the
s
tatic head of the system, that is, the height of the
highe
st point of the system above the expansion
vessel.
3.17.3 Pressure gauge
A pressure gauge with a set pointer and covering
at least 0 to 4 bar (0 to 60 lb/in2) shall be fitted
permanently to the system in a position where it can
be seen when filling the system.
3.17.4 Water make up
Provision should be made for replacing water loss
from the system using a make up bottle mounted in
a position higher than the top point of the system,
connected through a non-return valve to the return
side of either the heating circuit or the hot water
cylinder.
Alternatively, provision for make up water should be
made using a proprietary filling loop.
3.17.5 Filling a sealed water system
Provision for filling the system at low level must be
made. This can be achieved by the use of a proprietary
filling loop.
Supplied by HeatingSpares247.com

Table of Contents

Related product manuals