EasyManua.ls Logo

Vaillant thermocompact vu 182/1 e - Gas Section VC 112,142,182,242,282 E, VCW 242,282 E H, B

Vaillant thermocompact vu 182/1 e
162 pages
Print Icon
To Next Page IconTo Next Page
To Next Page IconTo Next Page
To Previous Page IconTo Previous Page
To Previous Page IconTo Previous Page
Loading...
38 Subject to alteration
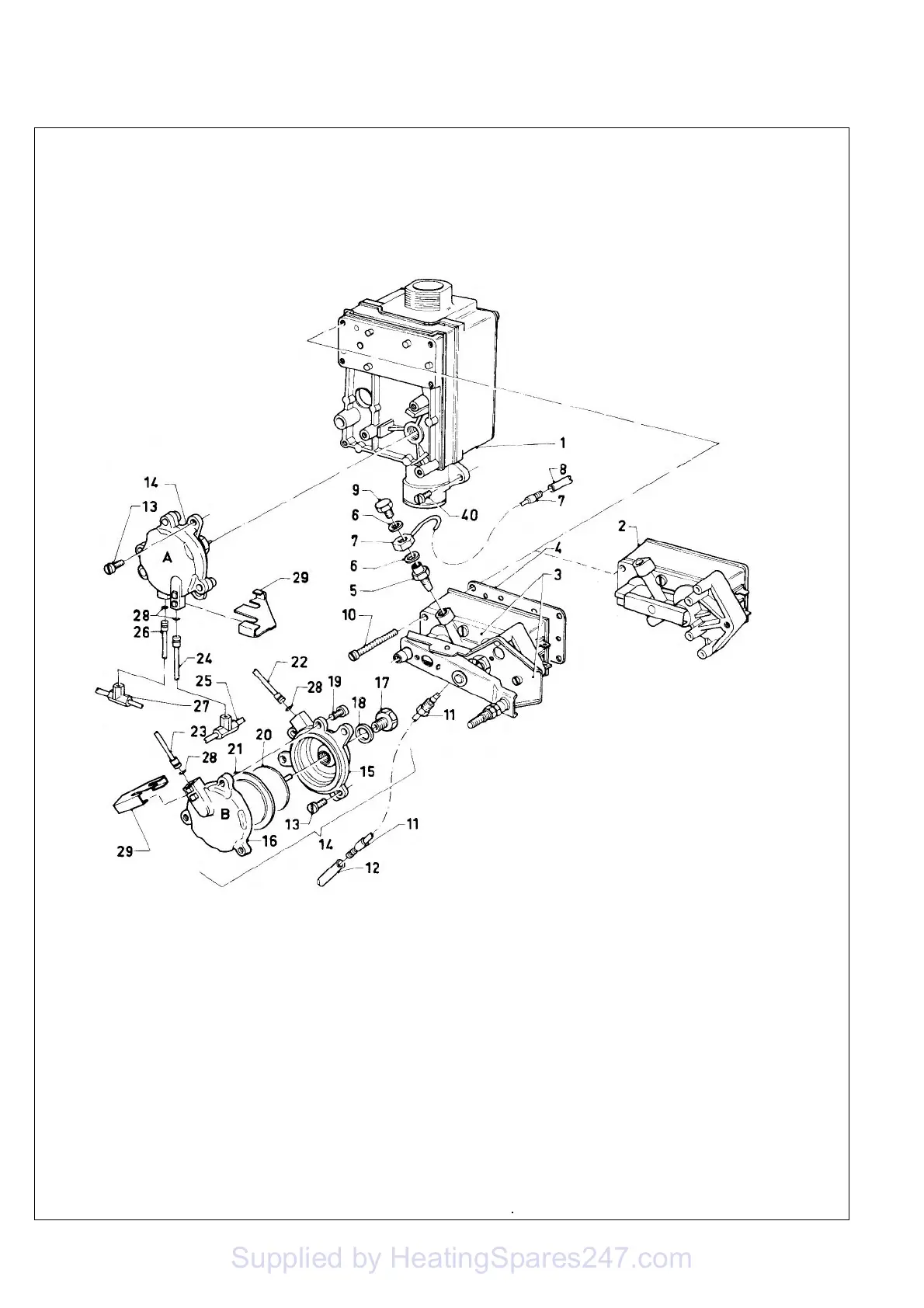
Main component 05 Gas section
VC 112,142,182,242,282 E, VCW 242,282 E H, B
Supplied by HeatingSpares247.com

Table of Contents

Related product manuals