EasyManua.ls Logo

Vaillant VR 66 - Multizone mode with combi boiler

Vaillant VR 66
20 pages
Print Icon
To Next Page IconTo Next Page
To Next Page IconTo Next Page
To Previous Page IconTo Previous Page
To Previous Page IconTo Previous Page
Loading...
- 10 -
INTRODUCTION
0020140122_02 - 05/13
EN
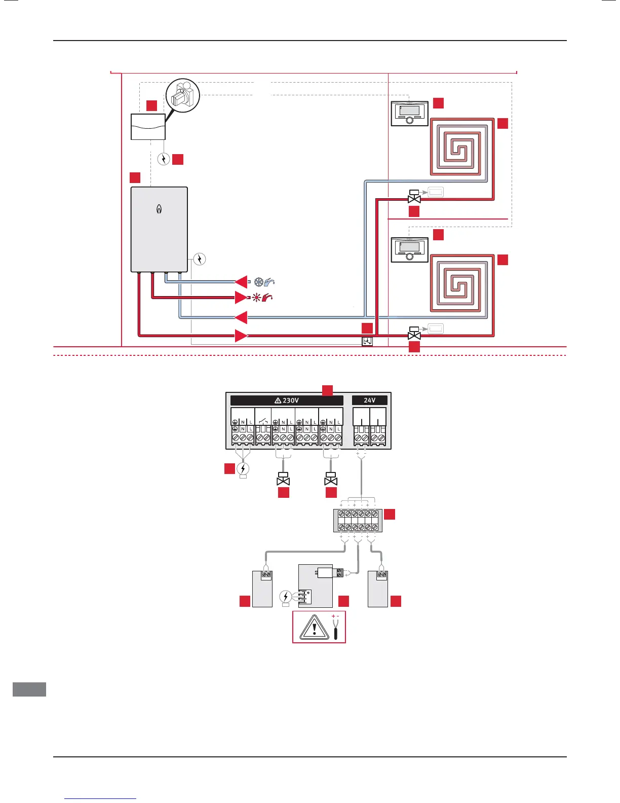
3.2.7 Multizone mode with combi boiler
EBUS
EBUS
EBUS
1
2
-
+
BUS
NTC
N L N L
16A
230V~
CYL.
DHW
CH1
CH2
21
BUSBUS
16A
NL
BUS
ON
DHW
OFF
0
0
10
9
8
2
A
B
D
5
6
11
7
3
8
5 6
123
7
4
1
C
Key
1 VRT350 thermostat "zone 1"
2 Combi boiler
3 VRT350 thermostat "zone 2"
4 Connection block (not supplied)
5 Heating zone 2- 2-port valve
6 Heating zone 1- 2-port valve
7 Electrical supply
8 VR66 control unit
9 Heating circuit zone 1
10 Heating circuit zone 2
11 Overheating safety (if under oor heating)
A Boiler circuit return
B Boiler circuit ow
C Cold water supply
D Domestic hot water outlet

Related product manuals