EasyManua.ls Logo

Vaillant VR 68 - Hydraulic Diagram 2

Vaillant VR 68
29 pages
Print Icon
To Next Page IconTo Next Page
To Next Page IconTo Next Page
To Previous Page IconTo Previous Page
To Previous Page IconTo Previous Page
Loading...
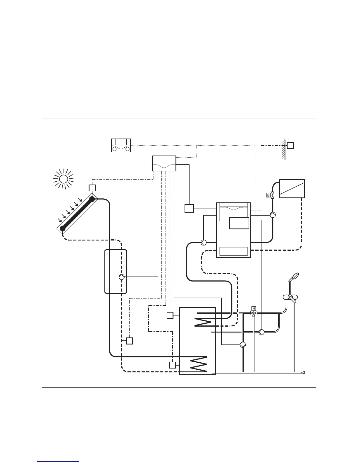
9Operating and Installation Manual for Solar Module VR 68 0020054784_00
4.2 Hydraulic diagram 2
a boiler (floor-mounted unit)
an uncontrolled heating circuit
a solar circuit
a bivalent solar hot water cylinder
charging pump for reheating bivalent solar hot water
cylinder; controlled via boiler
circulation pump for hot water controlled by VR 40
a legionella protection pump
VR 68
VRC 430
SP 1
(VR 10)
ZP
SP 2
(VR 10)
Ertrag
(VR 10)
KOL 1
(VR 11)
KOL 1-P
LEG-P
230 V ~
LP
HK-P
AF (VRC 693,
VRC 9535)
VR 40
Fig. 4.2 Hydraulic diagram 2
Incorporation of the VR 68 into the solar heating system 4

Related product manuals