EasyManua.ls Logo

Vaillant VR 68 - Page 12

Vaillant VR 68
29 pages
Print Icon
To Next Page IconTo Next Page
To Next Page IconTo Next Page
To Previous Page IconTo Previous Page
To Previous Page IconTo Previous Page
Loading...
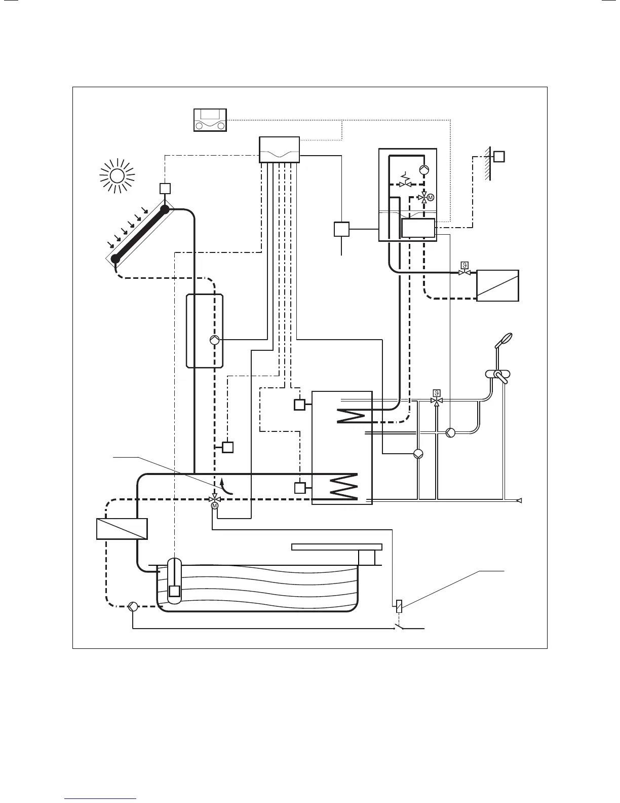
11Operating and Installation Manual for Solar Module VR 68 0020054784_00
1
SP 1
(VR 10)
LEG-P
VR 68
VRC 430
AF (VRC 693,
VRC 9535)
230 V ~
ZP
VR 40
SP 2
(VR 10)
Ertrag
(VR 10)
KOL 1
(VR 11)
KOL 1-P
TD 1
(VR 10)
230 V ~
MA
2
Fig. 4.3 Hydraulic diagram 3
Key
1 Direction of flow, if 3-way changeover valve is de-energised
2 Solenoid valve activates swimming pool pump if 3-way
changeover valve is energised
Incorporation of the VR 68 into the solar heating system 4

Related product manuals