EasyManua.ls Logo

Valmar 3255 - Page 53

Default Icon
78 pages
Print Icon
To Next Page IconTo Next Page
To Next Page IconTo Next Page
To Previous Page IconTo Previous Page
To Previous Page IconTo Previous Page
Loading...
Specifications VALMAR
Page 46
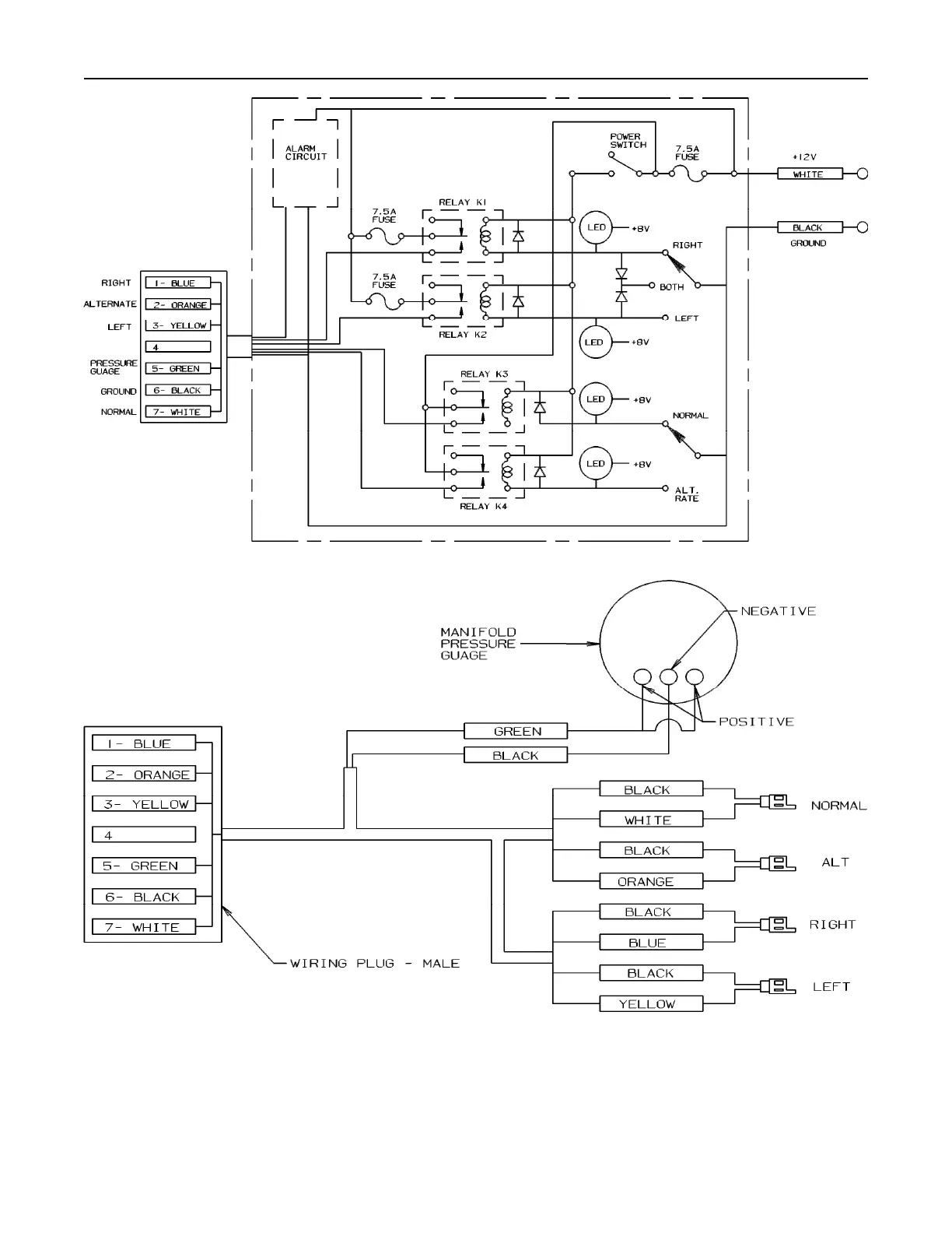
Figure 8- 2: Control Unit Wiring
Figure 8- 3: Implement Harness Wiring

Related product manuals