EasyManua.ls Logo

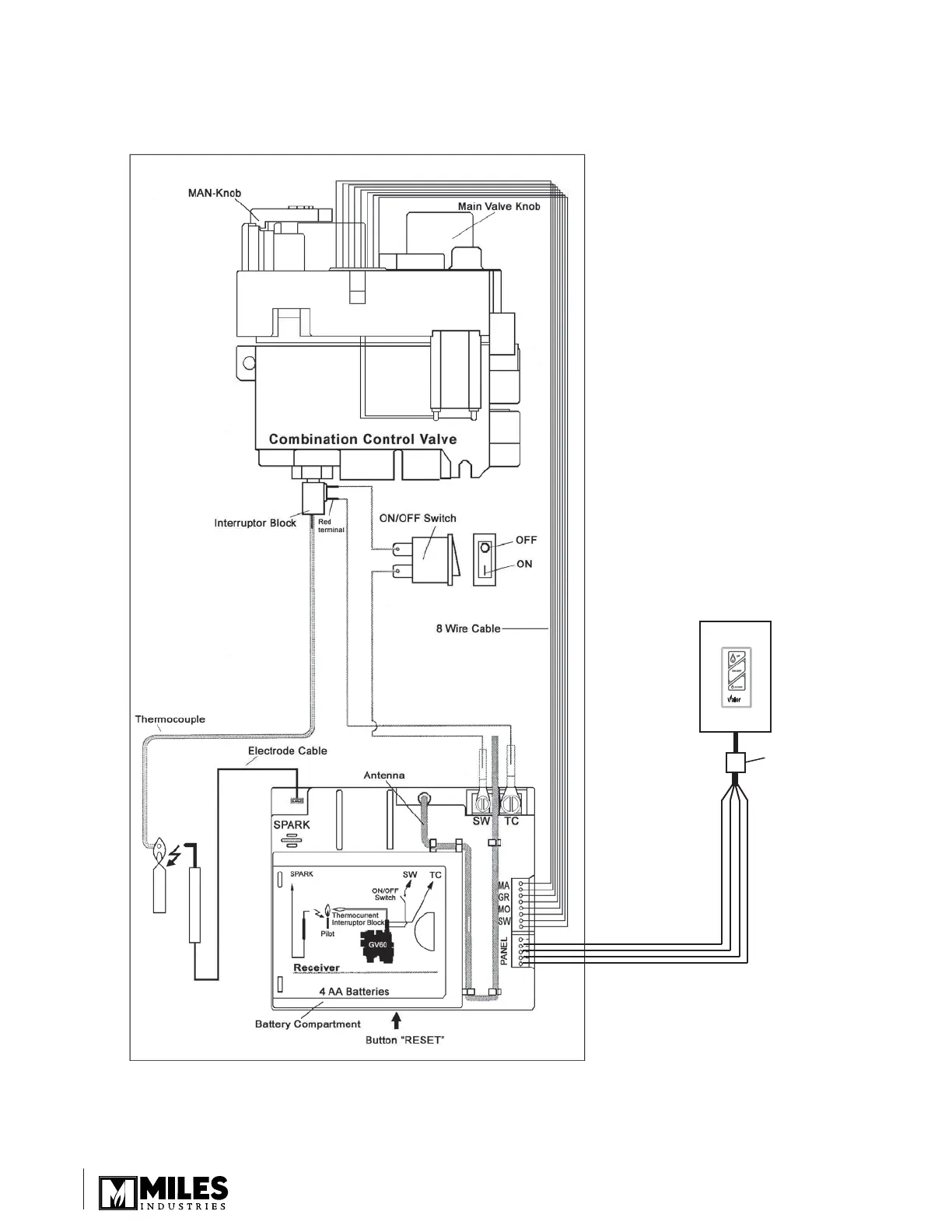
Valor 650ILN - Wiring Diagram

Valor 650ILN
43 pages
Print Icon
To Next Page IconTo Next Page
To Next Page IconTo Next Page
To Previous Page IconTo Previous Page
To Previous Page IconTo Previous Page
Loading...
3636
Wiring Diagram
Wall Switch Kit
Connector
RedYellow
GV60 Wiring Diagram

Related product manuals