EasyManua.ls Logo

VALPAR VCWS08 - Wiring Diagram

Default Icon
20 pages
Print Icon
To Next Page IconTo Next Page
To Next Page IconTo Next Page
To Previous Page IconTo Previous Page
To Previous Page IconTo Previous Page
Loading...
12
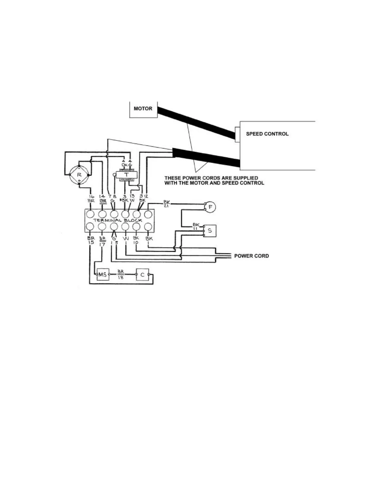
FIGIRE 9.2
WIRING DIAGRAM
MARCH 15, 2003 TO PRESENT