EasyManua.ls Logo

Valtra 6250 - Page 219

Valtra 6250
1361 pages
Print Icon
To Next Page IconTo Next Page
To Next Page IconTo Next Page
To Previous Page IconTo Previous Page
To Previous Page IconTo Previous Page
Loading...
56
Modell Code Page
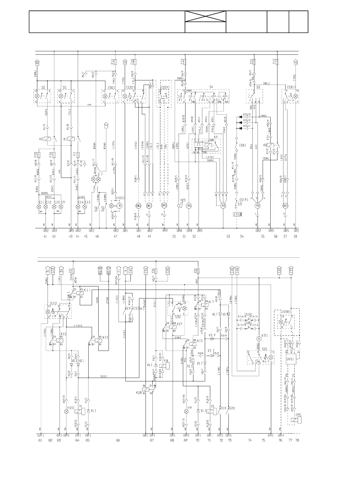
31. Tractor electrical system
1. 9. 2002
6250--8950 310 62
1. 10. 1999
ACV III
ACV IV

Table of Contents

Related product manuals