EasyManua.ls Logo

VAMP 121 - Functions; Self-supervision

VAMP 121
26 pages
Print Icon
To Next Page IconTo Next Page
To Next Page IconTo Next Page
To Previous Page IconTo Previous Page
To Previous Page IconTo Previous Page
Loading...
4 Functions
V121/EN M/A017
11
4. Functions
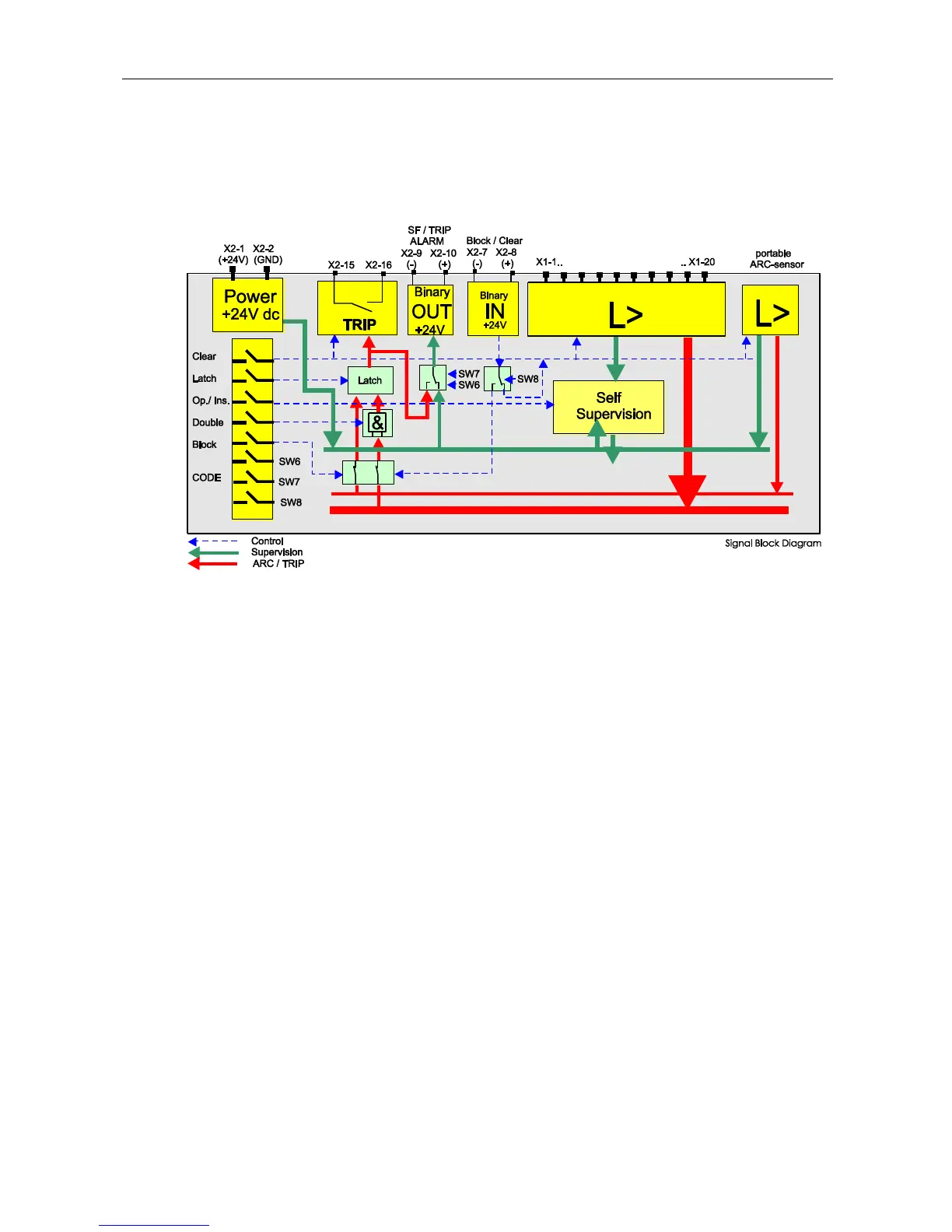
VAMP 121(D) includes an extensive self-supervision. The self-
supervision includes internal functions as well as all arc sensors.
Figure 4-1. Self-supervision block diagram
When an internal fault occurs the self-supervision relay is
activated and the ERROR-led is lit.
The function at the binary in- and output can be chosen with the
dip switches 8, 7 and 6 (CODE). See chapter 1 on page 3.

Related product manuals