EasyManua.ls Logo

VAMP 121 - 6.1 Outputs

VAMP 121
26 pages
Print Icon
To Next Page IconTo Next Page
To Next Page IconTo Next Page
To Previous Page IconTo Previous Page
To Previous Page IconTo Previous Page
Loading...
6.1 Outputs
6 Connection examples
14
V121/EN M/A017
6.1. Outputs
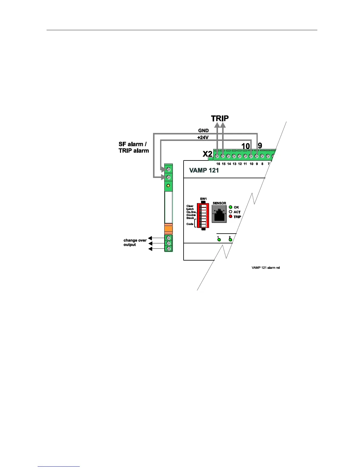
The VAMP 121(D) unit has an integrated relay output (X2-15,X2-
16) for tripping of the circuit-breaker.
Furthermore, one binary output is available (+24V dc) X2-9 (-) X2-
10(+), which becomes inactive (0V) on internal fault (SF) and / or
on tripping (configurable). This output can control an external
relay. See Figure 6.1-1.
Figure 6.1-1Output relay connection

Related product manuals