EasyManua.ls Logo

Vaz 21214 - Alternator

Default Icon
222 pages
Print Icon
To Next Page IconTo Next Page
To Next Page IconTo Next Page
To Previous Page IconTo Previous Page
To Previous Page IconTo Previous Page
Loading...
Alternator
Specification
Maximum current output (at 13 volts and 5000 rpm), amp . . 55
Adjustable voltage range, volts . . . . . . . . . . . . . . . . . . 14.1±0.5
Maximum rotor speed, rpm . . . . . . . . . . . . . . . . . . . . . . 13,000
Engine-to-alternator ratio . . . . . . . . . . . . . . . . . . . . . . . . 1:2.04
General description
The alternator of 37.3701 model is of AC, three-phase, clock-
wise rotation (when viewed from the drive end), with integral
diode plate and voltage regulator.
Protective cover 4 is used for slip ring-end housing (Fig.7-11).
The protective cover and air intake have several design alterna-
tives.
Four bolts hold together stator 21 (Fig.7-3) and housings 1
and 19. Rotor shaft 8 runs in bearings 6 and 18 located in the
housings. The rotor winding (field winding) is powered through
the brushes and slip rings 5.
Three-phase alternative current, induced in the stator wind-
ing, is converted into direct current in diode plate 2 fitted to hous-
ing 1. Electronic voltage regulator 12 is integral with the brush
holder and is also attached to housing 1.
The alternator wiring diagram is shown in Fig.7-4. When the
ignition is switched on, the voltage for the alternator actuation is
applied to the regulator terminal «Ç» (alternator terminal 61) via
warning light 6 in instrument cluster 3. Once the engine is start-
ed, the current to the field winding is supplied from three supple-
mentary diodes in the alternator diode plate.
The alternator operation is checked via warning light 6 in the
instrument cluster. The light comes on when the ignition is
switched on and goes out after the engine has been started,
when the alternator is good. Bright or dim light of the warning
lamp indicates faults.
Before 1995 an electronic voltmeter in the instrument cluster
was used to control voltage in the vehicle electrical system. With
correct voltage the voltmeter LED did not light up. In case of over-
voltage the LED started flashing, while in case of undervoltage
the LED stayed steadily.
Starting from 1996 an alternative voltage regulator and brush
holder are used. Now the voltage regulator is located in the metal
housing and is riveted to the brush holder (Fig.7-10, ‡), making a
unit. The new voltage regulator has no terminal «Å», so voltage
is supplied only to terminal «Ç». Both the earlier and new voltage
regulators are similar and are interchangeable as a complete unit
with the brush holder.
Some vehicles can be fitted with alternators made in
Slovenia, Bulgaria or Germany. These alternators are inter-
changeable with the alternator of 37.3701 model as to specifica-
tion and mounting sizes, though are slightly different in design.
This chapter describes the alternator of 37.3701 model, prefer-
ably used in VAZ-21213 vehicles.
140
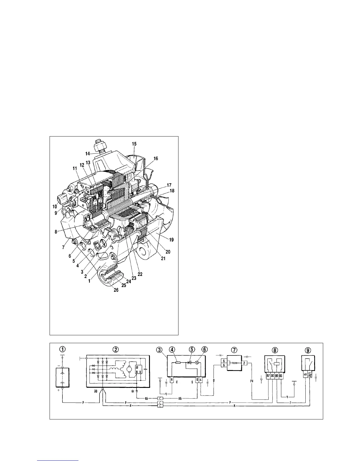
Fig.7-4. Alternator wiring diagram:
1 - battery; 2 - alternator; 3 - instrument cluster; 4 - resistor 51 Ohm, 5 W; 5 - diode; 6 - low battery charge warning light; 7 - fuse box; 8 - ignition relay; 9 - ignition switch
Fig.7-3. Alternator 37.3701:
1 - slip ring end housing; 2 - diode plate; 3 - diode; 4 - screw; 5 - slip ring; 6 -
rear ballbearing; 7 - suppression condenser; 8 - rotor shaft; 9 - alternator termi-
nal «30»; 10 - alternator terminal «61»; 11 - voltage regulator terminal «Ç»; 12
- voltage regulator; 13 - brush; 14 - alternator-to-belt tensioner lever securing
pin; 15 - pulley and fan; 16 - rotor pole end; 17 - spacer; 18 - front ballbearing;
19 - drive-end housing; 20 - rotor winding; 21 - stator; 22 - stator winding; 23 -
rotor pole end; 24 - buffer bush; 25 - bush; 26 - hold-down bush

Table of Contents

Related product manuals