EasyManua.ls Logo

Vaz 21214 - Wiring Diagram

Default Icon
222 pages
Print Icon
To Next Page IconTo Next Page
To Next Page IconTo Next Page
To Previous Page IconTo Previous Page
To Previous Page IconTo Previous Page
Loading...
189
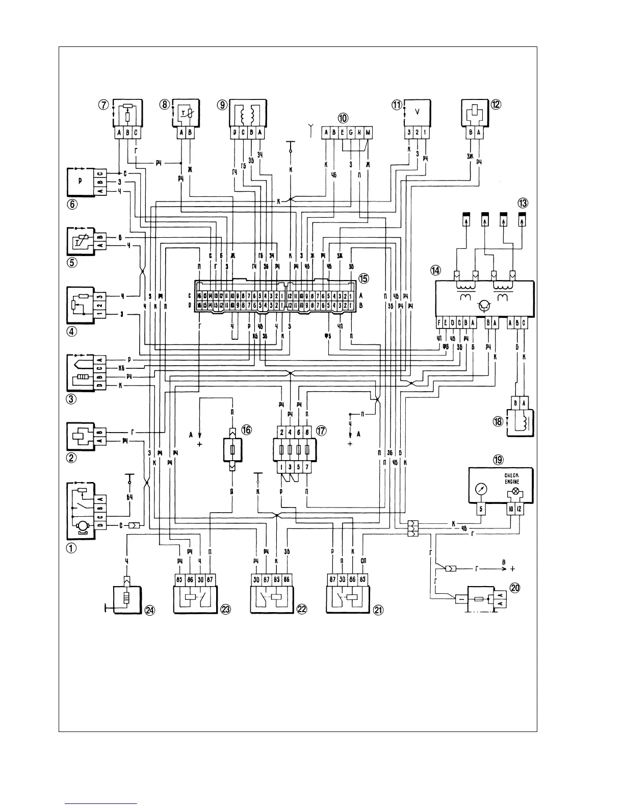
Fig.9-5. Wiring diagram for VAZ-21214 vehicle, CFI:
1 - electric fuel pump and fuel level sender; 2 - injector; 3 - oxygen sensor; 4 - octane potentiometer; 5 - air temperature sensor; 6 - MAP sensor; 7 - throttle position sen-
sor; 8 - coolant temperature sensor; 9 - idle air control valve; 10 - diagnostic plug; 11- speed sender; 12 - canister purge valve; 13 - spark plugs; 14 - ignition module;
15 - electronic control unit plug; 16 - intake manifold preheater fuse; 17 - fusebox, injection system; 18 - crankshaft position sensor; 19 - instrument cluster with tachometer
and «CHECK ENGINE» light; 20 - main fusebox; 21 - ignition relay; 22 - fuel pump cut-in relay; 23 - intake manifold preheater relay; 24 - intake manifold preheater;
Ä - to battery «+» terminal; Ç - to ignition switch terminal «15»

Table of Contents

Related product manuals