EasyManua.ls Logo

VBM JUNIOR 2B - Electrical Scheme

Default Icon
Print Icon
To Next Page IconTo Next Page
To Next Page IconTo Next Page
To Previous Page IconTo Previous Page
To Previous Page IconTo Previous Page
Loading...
34
ENG
11,
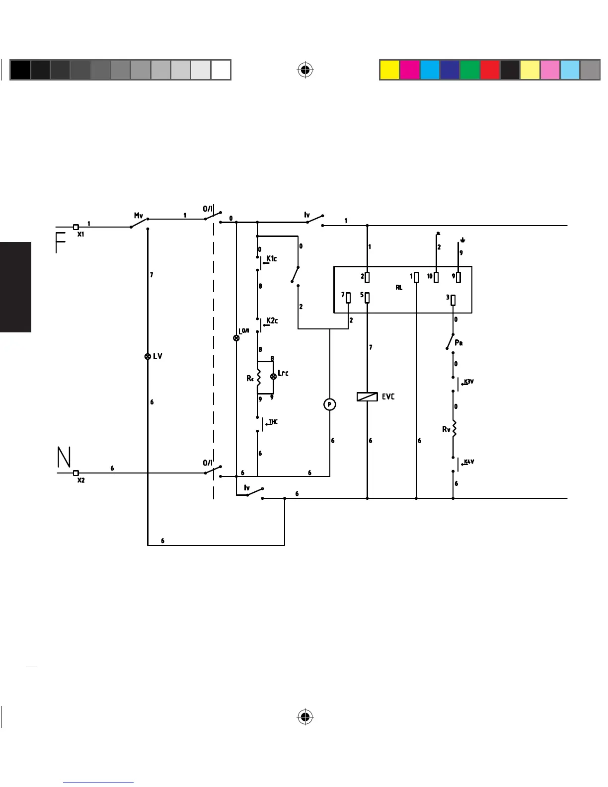
ELECTRICAL SCHEME.
NEWManuale_DomobarJunior2B_Rev0_01-2016_5lingue.indd 34 17/03/16 17:21

Table of Contents

Related product manuals