EasyManua.ls Logo

VDigi 24E100SQB - Rear Panel and Descriptions

VDigi 24E100SQB
53 pages
Print Icon
To Next Page IconTo Next Page
To Next Page IconTo Next Page
To Previous Page IconTo Previous Page
To Previous Page IconTo Previous Page
Loading...
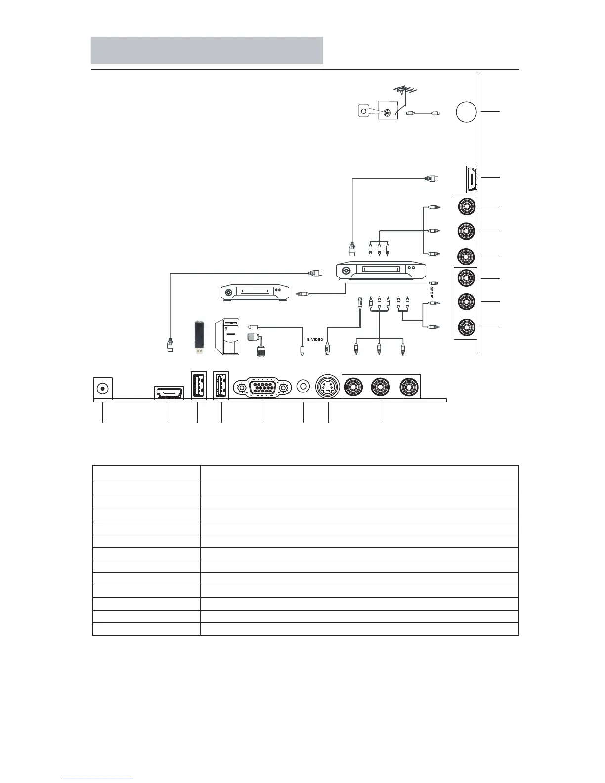
Rear Panel and Descriptions
Name Function Description
Reserve for external USB device
HDMI input
VGA input
VGA audio input
Component input
Component audio input
S-VIDEO input
Coaxial output
Composite video input
Composite audio input
Antenna input
Power input
YPbPr audio L/R
YPbPr
VGA
RF IN
VGA audio
HDMI1,HDMI2
S-VIDEO
SPDIF
AV
DC
AV audio L/R
USB1,USB2
32
YPbPr/L YPbPr/R SPDIF AV AV/L AV/R HDMI1 RF
SPDIF
TV
DV D
AM P.
DC HDMI2 USB2 USB1 VGA S-VIDEO YPbPrVGA-AUDIO

Related product manuals