EasyManua.ls Logo

VERDER VA 50 - Ball Check Valve Repair

VERDER VA 50
36 pages
Print Icon
To Next Page IconTo Next Page
To Next Page IconTo Next Page
To Previous Page IconTo Previous Page
To Previous Page IconTo Previous Page
Loading...
18 819.4496
Service
Ball Check Valve Repair
Tools Required
Torque wrench
10 mm socket wrench
O-ring pick
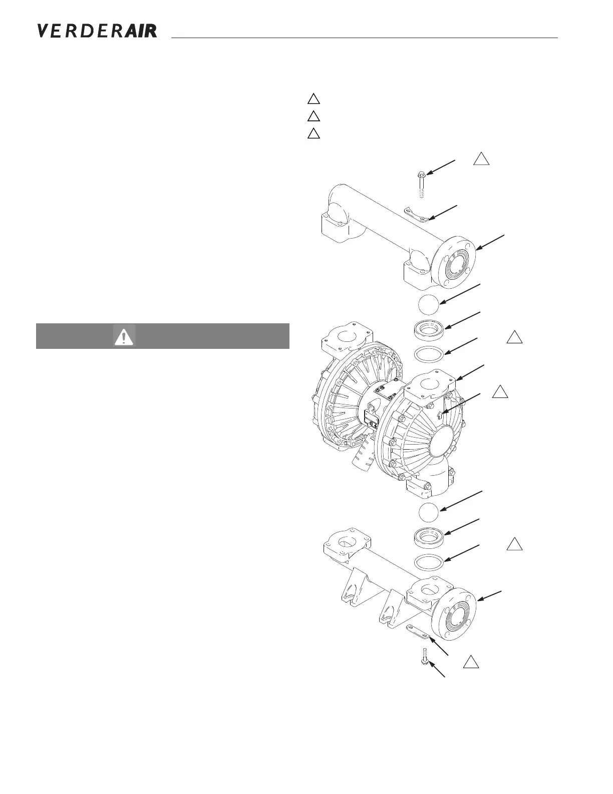
Disassembly
NOTE: A Fluid Section Repair Kit is available. Refer to page
25 to order the correct kit for your pump. Parts
included in the kit are marked with an asterisk, for
example (201*). Use all the parts in the kit for the best
results.
NOTE: To ensure proper seating of the balls (301), always
replace the seats (201) when replacing the balls.
1. Relieve the pressure. Disconnect all hoses.
2. Remove the pump from its mounting.
3. Using a 10 mm socket wrench, remove the eight bolts
(106) and four washers (113), holding the outlet manifold
(103) to the fluid covers (101). See F
IG. 11.
4. Remove the seats (201), balls (301), and o-rings (202)
from the manifold.
NOTE: Some models do not use o-rings (202).
5. Turn the pump over and remove the bolts (112),
washers (114), and inlet manifold (102). Remove the
seats (201), balls (301), and o-rings (202) from the fluid
covers (101).
Reassembly
1. Clean all parts and inspect for wear or damage. Replace
parts as needed.
2. Reassemble in the reverse order, following all notes in
F
IG. 11. Be sure the ball checks are assembled exactly
as shown. The arrows (A) on the fluid covers (101)
must point toward the outlet manifold (103).
Torque to 17–18 N•m. See Diaphragm Kits, page 29.
Arrow (A) must point toward outlet manifold (103).
Not used on some models.
FIG. 11 _______________________
Warning
To reduce the risk of serious injury whenever you are
instructed to relieve pressure, always follow the Pressure
Relief Procedure on page 13.
1
2
3
106
103
101
A
201*
301*
112
102
201*
301*
2
1
1
202*
202*
3
3
04619C
113
114

Related product manuals