EasyManua.ls Logo

VEVOR H10 - Diagrama de Cableado

VEVOR H10
192 pages
Print Icon
To Next Page IconTo Next Page
To Next Page IconTo Next Page
To Previous Page IconTo Previous Page
To Previous Page IconTo Previous Page
Loading...
-10-
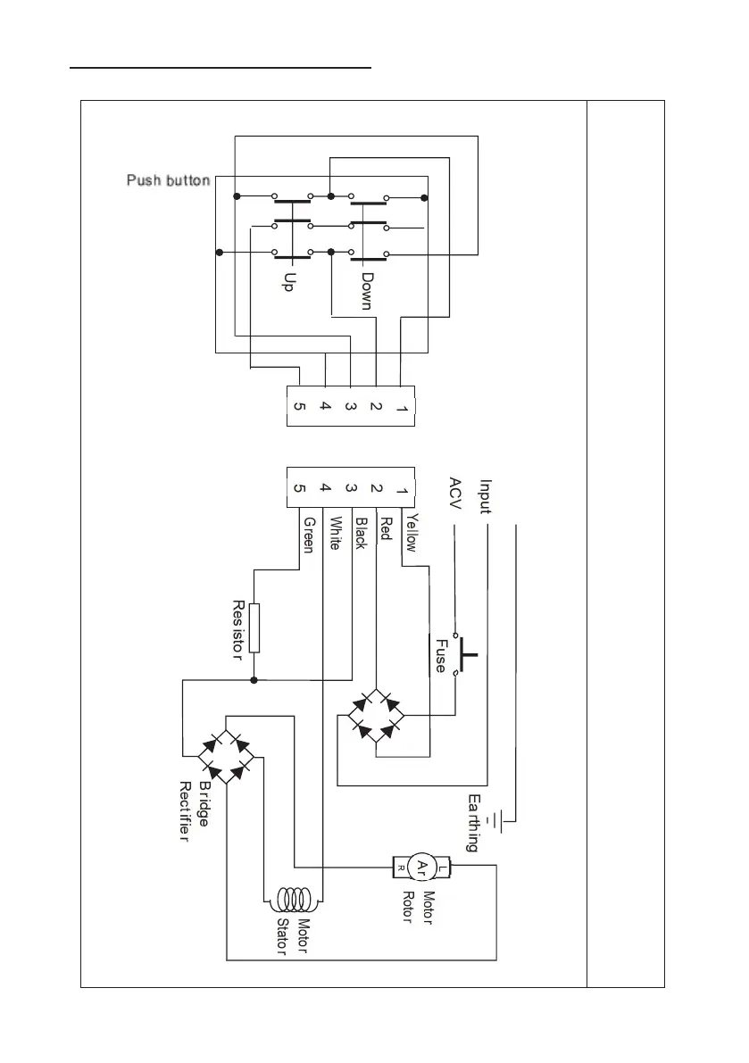
6. Diagrama de cableado
sudoestepicar
continuaciónrolCircuél
Receptáculo del cable del interruptor

Related product manuals