EasyManua.ls Logo

VEVOR H10 - Schéma de Câblage

VEVOR H10
192 pages
Print Icon
To Next Page IconTo Next Page
To Next Page IconTo Next Page
To Previous Page IconTo Previous Page
To Previous Page IconTo Previous Page
Loading...
-dix-
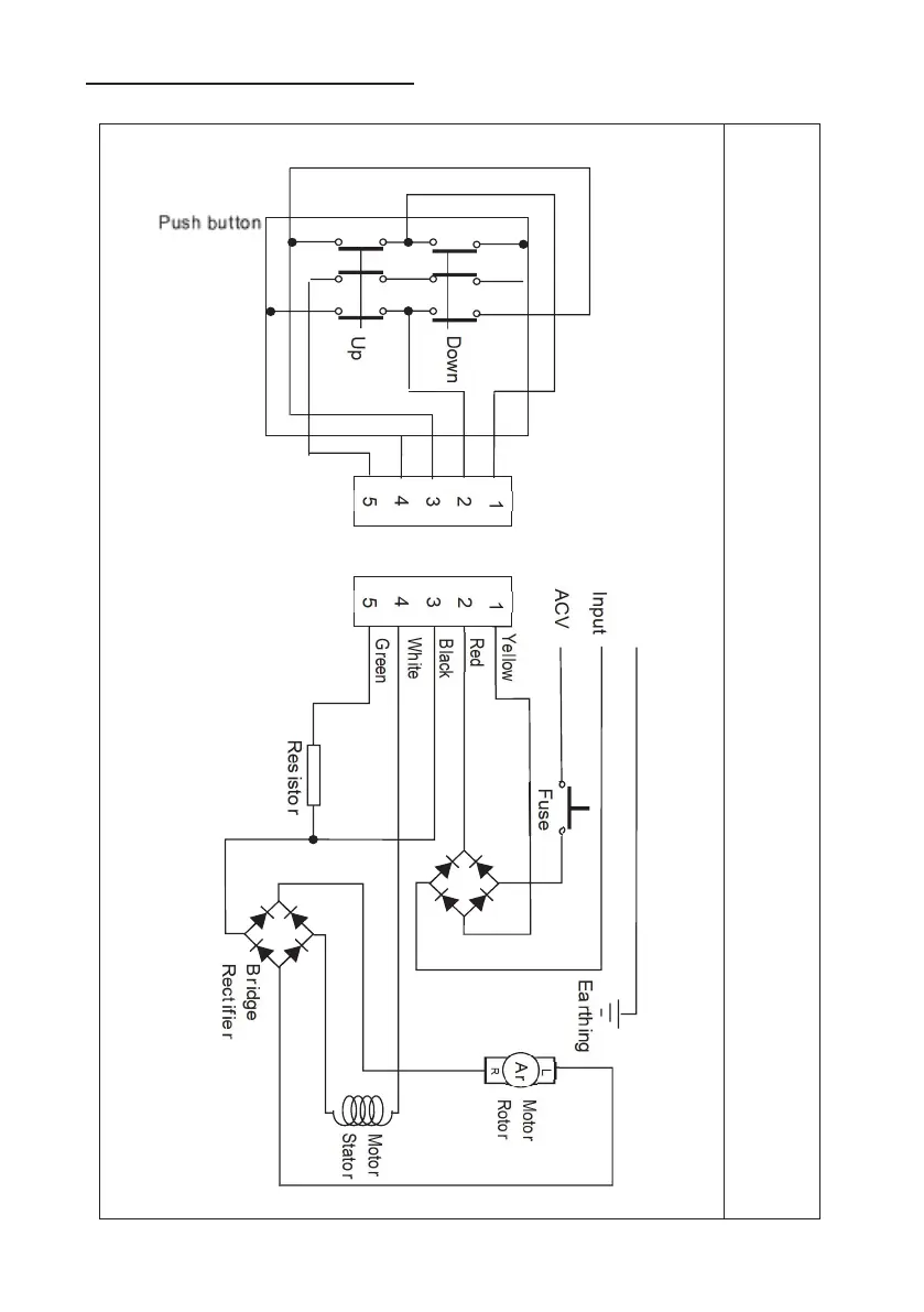
6. Schéma de câblage
swdémanger
Suite rolCjercuil
Prise du cordon de commutation

Related product manuals