EasyManua.ls Logo

Viessmann Divicon - Page 18

Viessmann Divicon
40 pages
Print Icon
To Next Page IconTo Next Page
To Next Page IconTo Next Page
To Previous Page IconTo Previous Page
To Previous Page IconTo Previous Page
Loading...
18
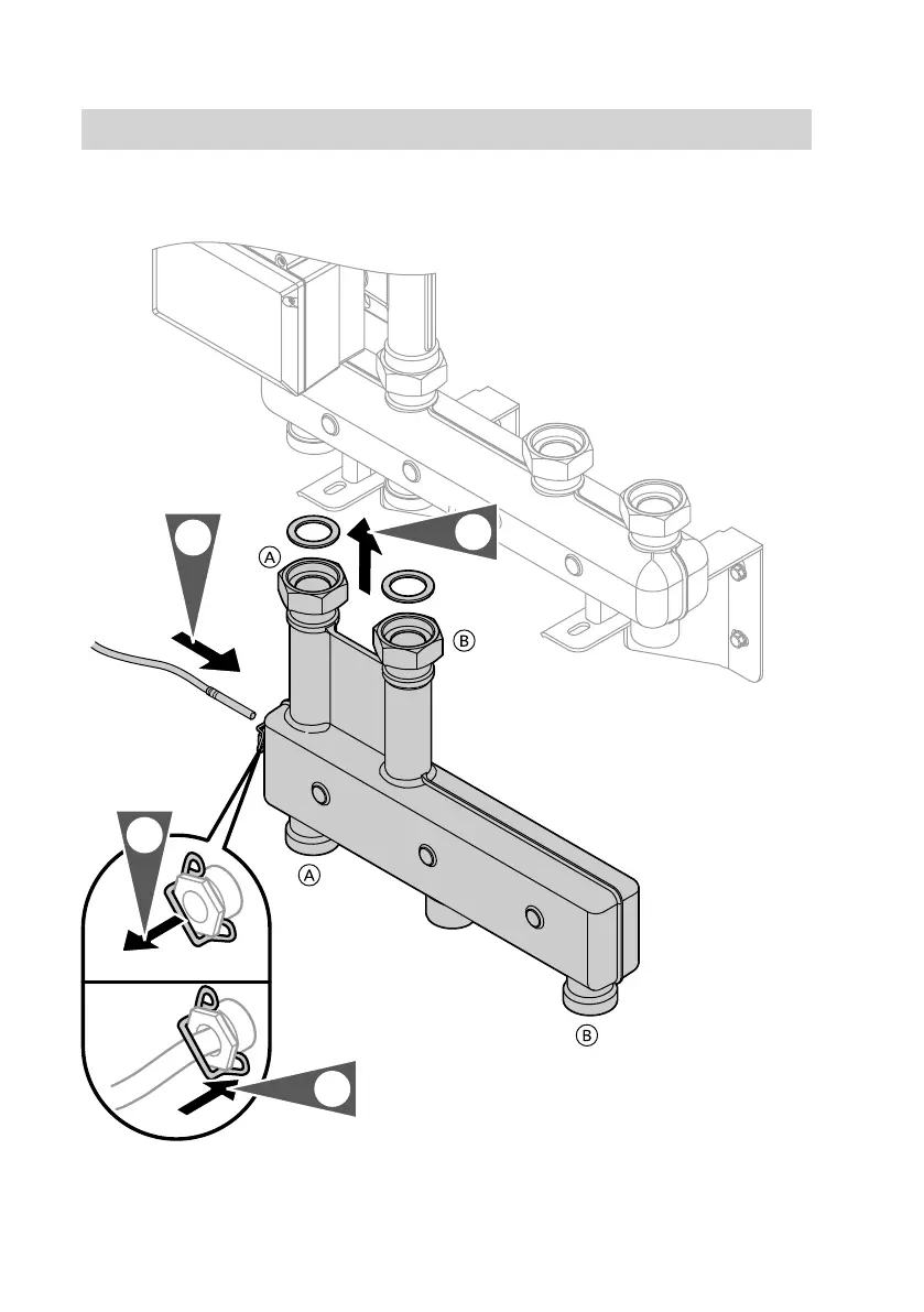
Low loss header (if supplied)
1.
3.
4.
2.
A
Heating flow
B
Heating return
Wall mounting
(cont.)
5836498

Related product manuals